欢迎来到江苏泰科流体控制阀门有限公司网站!
截止阀的启闭件是塞形的阀瓣,密封面呈平面或锥面
截止阀只适用于全开和全关,不允许作调节和节流。截止阀只适用于全开和全关,不允许作调节和节流。此种结构的截止阀其公称通经都比较小,一般在6~50mm之间,大部分用在仪表阀和取样阀。它是工业部门中使用最广泛的一种阀门。1、高温、高压介质的管路或装置上宜选用气动截止阀。2、管路上对流阻要求不严的管路上应选用直流式截止阀;3、......
[2022-07-21]
重锤式止回阀 泵房效应防护成为供水工程关键性的工艺技术之一
该设备主要防止停泵水锤,一般安装在水泵出口管道附近,利用管道本身的压力为动力来实现低压自动动作,即当管道中的压力低于设定保护值时,排水口会自动打开放水泄压,以平衡局部管道的压力,防止水锤对设备和管道的冲击,消除器一般可分为机械式和液压式两种,机械式消除器动作后由人工恢复,液压式消除器可自动复位。...
[2022-07-21]
非标设备人一起的分类按通道方向分类,你知道吗?
▲点击上方蓝字关注,非标设备人一起交流~截止阀工作原理截止阀只许介质单向流动,安装时有方向性。截止阀的结构长度大于闸阀,同时流体阻力大,长期运行时,密封可靠性不强。电动装置阀门的储存和防护应同时参见电装的使用说明书。电动装置阀门应特别注意当电装失效时阀门所处的状态(如“开”或“关”)。...
[2022-07-21]
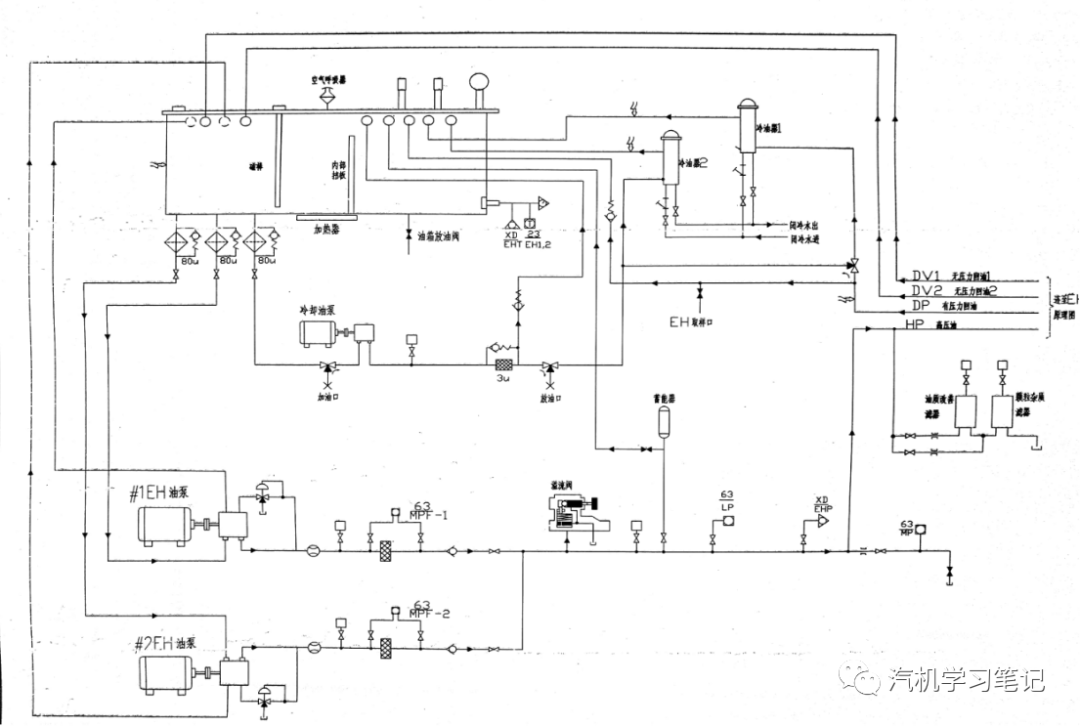
汽电磁阀 关于EH油及调节保安系统需要反反复复学习,要不记不住,今天温故知新!
01-EH油系统概述EH油系统是汽轮机数字电液系统-DEH中一个重要组成部分,它由供油系统、执行机构、危急遮断系统三大部分组成。供油装置提供控制设备动力油和安全油,同时保证油品的正常理化特性和运行特性。、LVDT电液伺服阀、滤网,OPC油作为它的安全油。反之,电磁阀失电,Y型小阀打开,HP高压油泄去,右侧大阀在弹簧力作......
[2022-07-21]
市科技局局长顾威赴文成县督导文成抓科技创新工作(图)
5月26日,市科技局局长顾威带队赴文成县开展“双百双千”科技服务活动,并督导文成抓科技创新工作。顾威一行先后来到、、文成县现代农业与康养产业研究院和文成县科技局,深入了解企业科技创新和科技平台建设情况以及目前存在的困难和问题。在,顾威一行参观了浙江德卡展示厅、生产车间。...
[2022-07-21]
动作力距比电动阀门大,电动闸阀和法兰闸阀的区别
电动截止阀和法兰闸阀是同属一个类型的阀门,由电动执行机构或气动执行机构和截止阀两部分组成,区别在它的关闭件是个阀体,阀体绕阀体中心线作旋转来达到开启、关闭的一种阀门。电动闸阀和电动截止阀的区别闸阀的行程比截止阀的要大。截止阀和闸阀的应用范围是根据其特点决定的。...
[2022-07-21]多年阀门制造经验
专注流体设备研发生产制造