欢迎来到江苏泰科流体控制阀门有限公司网站!
强烈推荐:汽轮机学习笔记的精彩内容
点击关键字获取收藏链接,欢迎订阅:
|||||
|||||||
||||||
|||||||
||||
|
|
汽轮机调整保障系统需要反复学习。
有很多关于EH油和调整安全系统的公众号。可以在公众号首页右上角搜索放大镜图标。这里推荐几篇文章:
更多EH油和调节安全系统点击链接:
01-EH油系统概述 EH油系统是汽轮机数字化电液系统——DEH的重要组成部分。它由供油系统、执行器和紧急中断系统三部分组成。[] EH油系统的作用是接受DEH输出指令,控制进气控制阀的开度,改变进入汽轮机做功的蒸汽流量,满足转速和负荷变化的要求。汽轮机,并保持机组的安全和稳定。可以说,EH油系统是DEH的执行机构。
供油系统 EH油系统采用高压耐火油作为流体工作介质,为各执行器及安全部件提供动力油,保证油品质量。供油系统由供油装置、再生装置和油冷却器组成。执行器EH 执行器接受来自DEH的指令信号,调节各调节阀的开度,包括2个主汽阀、2个主汽调节阀、3个中低压吸入调节阀、1个供气调节阀、1个补气调节阀。1个主阀。紧急中断系统紧急中断系统由汽轮机中断参数控制。当这些监测参数超过限值时,系统将自动关闭所有阀门或仅关闭调节门,以确保机组安全运行。02-供油系统 EH供油系统采用磷酸三芳酯耐火油。其主要功能是为控制设备提供动力油和安全油,同时保证油品的正常物理化学特性和运行特性。主要由油箱、油泵、控制模块、滤油器、油冷却器、蓄能器和一套自循环滤油及自循环冷却系统组成。供油装置为控制设备提供动力油和安全油,同时保证油的正常物理化学性质和运行特性。由油箱、油泵、控制块、磁滤器、滤芯、溢流阀、蓄能器、止回阀、油冷却器、EH 接线盒以及油压、油温和油位的一些报警和指示,控制仪表。再生装置 再生装置是用来储存吸附剂使耐火油再生(保持油中性,去除杂质和水分)的装置。该装置由再生树脂和精密过滤器组成。输油管路系统输油管路系统主要由一组供油油管、回油管、安全油管、供油蓄能器和回油蓄能器组成,使供油系统、执行器和紧急中断系统组成一个电路。再生装置 再生装置是用来储存吸附剂使耐火油再生(保持油中性,去除杂质和水分)的装置。该装置由再生树脂和精密过滤器组成。输油管路系统输油管路系统主要由一组供油油管、回油管、安全油管、供油蓄能器和回油蓄能器组成,使供油系统、执行器和紧急中断系统组成一个电路。再生装置 再生装置是用来储存吸附剂使耐火油再生(保持油中性,去除杂质和水分)的装置。该装置由再生树脂和精密过滤器组成。输油管路系统输油管路系统主要由一组供油油管、回油管、安全油管、供油蓄能器和回油蓄能器组成,使供油系统、执行器和紧急中断系统组成一个电路。
EH供油系统的主要设备为不锈钢油箱;两个相同容量的油泵;一套循环泵组,一个EH油控模块;复制液位计;数字温度控制器;两个冷油蓄能器安装在油箱旁边;出口处装有气液高压蓄能器。

EH油箱 EH油箱设计为不锈钢机身,可容纳900升耐燃燃油,可满足机组日常油耗。EH油箱有四个表显示油压,即1泵出口压力、2泵出口压力、系统压力和冷却油泵出口压力。

EH油泵 EH油泵采用进口高压变量柱塞泵,两台泵采用并联工作方式,一个工作,一个备用,提高了供油系统的稳定性。油箱下方设有两个泵,以保证油泵的吸水头。

油泵的结构如下图所示。这是一款恒压变流量柱塞泵,油泵的输出流量会随着系统的油耗自动调节。每台泵都有进出口隔离门,便于维护和隔离。常开。

在控制总成的油泵出口滤网的每个套筒中安装了一个3微米的金属丝网滤芯,用于过滤杂质。止回阀
每个泵出口高压油路都有一个止回阀,防止油液倒流。溢流阀 溢流阀的油压一般比油泵出口油压高2MPa以上。当油压高于设定值时,将油送回油箱,确保系统安全。出口截止阀
两个截止阀通常为全开,手动关闭后,即可检修油路上的过滤器和止回阀。

油冷却器 两个油冷却器位于油箱的东侧。冷却器中的水流经管道,需要冷却的油通过周围的管束散失热量。油冷却器的进出口均设有截止阀,可实现手动控温。当油温仍不能下降时,可开启冷却油泵,进一步降低油温。正常运行时,油温为37-60摄氏度。

蓄能器 高压蓄能器位于油箱旁边,作用于高压出油管,以减少系统压力波动,补偿流量变化,提高供油质量。蓄能器气缸内的气囊已预先充满氮气。当产生高压油时,气囊被外部的高压油挤压收缩,直至两股力平衡。此时,气囊储存弹性能量。蓄能器模块上有一个截止阀。隔离系统油以便于维护。蓄能器的正常压力约为9.3MPa。8.3MPa以下,必须及时冲洗氮气。

再生装置 再生装置是用来储存吸附剂使耐火油再生(保持油中性,去除杂质和水分)的装置。该装置由再生树脂和精密过滤器组成。再生装置需要操作人员定期投入运行,以保证油品质量。必要时应加装滤油器同时投入运行,以提高脱水除颗粒的效率和质量。

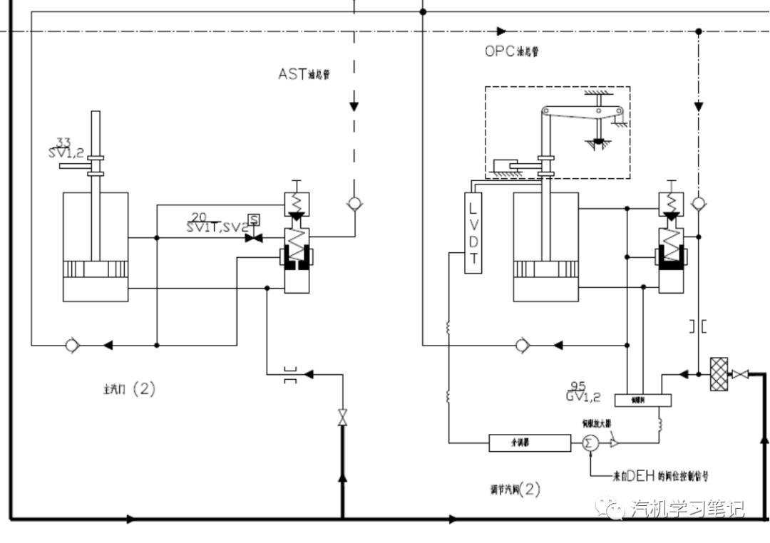
03-执行器油马达介绍油马达是DEH控制系统的重要组成部分之一。每台油马达与系统(以控制阀为例)之间连接有3根油管:一根是EH系统提供的高压油汽电磁阀,作为油机的动力油源。(动力油) 回油管与系统的压力回油主管连接,出口处有止回阀,防止在线维护时油液倒流。(带压力回油)另一个是安全油管,出口处还有一个止回阀,用来释放油马达的安全压力,快速关闭油马达。(安全油)

机油发动机分类
油马达都是单面的,油压提供开启力,弹簧提供关闭力。油缸从一侧进给。液压油缸连接到控制模块。控制块装有截止阀、快卸阀、止回阀等来控制油马达的油路,加上不同的附加元件。可以形成两种基本形式的致动器——开关和控制。其中RSV为全开全闭,其余可控。其中,高压主气门加速器(简称TV)的安全油管与危机中断(AST)油主管、高压气门加速器(简称GV)、中-抽气阀加速器(简称IV),和低压抽气阀。油马达的安全油管(简称LV)与超速保护(OPC)油管相连。高压主阀油机的主要部件主要由油缸、卸荷阀、止回阀、截止阀组成,其安全油采用AST油。高压主汽调节阀油马达的主要部件主要由油缸、卸荷阀、止回阀、截止阀、LVDT电液伺服阀、滤网、OPC油作为其安全油组成。中、低压排气阀的主要部件与主蒸汽阀相同。高压主阀油机的主要部件主要由油缸、卸荷阀、止回阀、截止阀组成,其安全油采用AST油。高压主汽调节阀油马达的主要部件主要由油缸、卸荷阀、止回阀、截止阀、LVDT电液伺服阀、滤网、OPC油作为其安全油组成。中、低压排气阀的主要部件与主蒸汽阀相同。高压主阀油机的主要部件主要由油缸、卸荷阀、止回阀、截止阀组成,其安全油采用AST油。高压主汽调节阀油马达的主要部件主要由油缸、卸荷阀、止回阀、截止阀、LVDT电液伺服阀、滤网、OPC油作为其安全油组成。中、低压排气阀的主要部件与主蒸汽阀相同。高压主汽调节阀油马达的主要部件主要由油缸、卸荷阀、止回阀、截止阀、LVDT电液伺服阀、滤网、OPC油作为其安全油组成。中、低压排气阀的主要部件与主蒸汽阀相同。高压主汽调节阀油马达的主要部件主要由油缸、卸荷阀、止回阀、截止阀、LVDT电液伺服阀、滤网、OPC油作为其安全油组成。中、低压排气阀的主要部件与主蒸汽阀相同。

油动元件——中文名称为线性位移差动变送器阀门公司,由铁芯、电枢、初级线圈和次级线圈组成。初级线圈和次级线圈分布在绕线架上,线圈内部有一个可自由移动的棒状电枢。当衔铁在中间位置时,两个次级线圈产生的感应电动势相等,所以输出电压为0;当衔铁在线圈内部运动并偏离中心位置时,两个线圈产生的感应电动势不相等,有电压输出,其电压的大小取决于位移的大小。

LVDT是一个相当管状的变压器,三组线圈分布在管内和一个纯铁芯,与油缸的活塞杆相连,活塞杆随铁芯上下运动,改变了两组次级线圈的感应电动势 调制器(解调器)对两组线圈的感应电动势进行叠加整流,输出与活塞杆成正比的反馈电压,送至加法器。加法器将反馈电压与来自 DEH 的指令电压进行比较,差值即为伺服放大器的值。当DEH的指令电压大于LVDT的反馈电压时,说明油马达开度不够,伺服放大器会输出一个正向电流阀门厂家,打开伺服阀的高压油和高压油缸的油路,油缸进油,活塞向上运动。同时,LVDT反馈电压也线性增加,最后两个电压之差趋于0,伺服阀切断供油回路,活塞开度保持不变,完成增加开度的过程。反之亦然。

油马达配件-电液伺服阀 MOOG伺服阀外观



油机部件-卸荷阀 快卸阀安装在油机的液压模块上,其作用是在机组准备紧急停机或紧急中断油压后,使油机的活塞下腔。解除紧急中断装置。压力油的快速释放是阀门的快速关闭。保护机组的安全。

● 正常运行时,AST 和 OPC 油压升高 → P1 油压升高等于 P2,杯形阀关闭 → ③、④ 油路分离,HP 与下活塞缸连接 → 阀开度增大 ● 当 a断路信号出现,AST、OPC油压丢失,P1下降→杯形阀打开③、④油路接通,活塞下缸排油→阀关闭

受控执行器 受控执行器可以将阀门控制在任意中间位置,以满足进气量的需要。高压主蒸汽调节阀、中低压废气调节阀均为控制型执行机构。

控制型执行机构不能在任何中间位置控制阀门,只能全开或全关来保护机组。高压主阀和中间为开关式执行机构。

04-紧急中断系统介绍 为防止汽轮机运行过程中因部分设备故障导致汽轮机发生重大损坏事故,创建了紧急中断系统。它负责监控这些参数。当这些参数超过限制值时,系统会发出一个中断信号,关闭所有汽轮机进气阀。监测参数:涡轮超速、止推轴承磨损、轴承油压过低、冷凝器真空过低、抗燃油压力过低。紧急中断系统主要由紧急中断模块(电磁阀模块)、隔膜阀、空气先导阀、压力开关等组成 紧急切断模块 4 个 AST 电磁阀 2 个 OPC 电磁阀 2 个止回阀 各部分连接通道

危机中断控制块的主要功能是提供启停关键中断(AST)和超速保护(OPC)总线之间的接口。控制块内部装有 6 个电磁阀(4 个 AST,2 个 OPC)和 2 个止回阀。在控制块中处理了许多油路,以连接各种部件。在 AST 和 OPC 油路之间安装了两个单向阀。当OPC电磁阀通电打开时,OPC主管油压释放。由于单向阀的存在,AST油压不受影响,所以仍保留主阀。保持完全打开的阀门位置。当转速下降到额定转速时,OPC会回到断电关闭状态,再次打开调节阀组来控制机组的转速。

AST
在机组正常运行情况下,AST电磁阀得电关闭,从而关闭紧急切断主管的泄油通道,使执行机构活塞下腔内的油压得以维持。但是,当电磁阀断电并打开时,排油通道打开,所有空气阀关闭,机器停机。从图中可以看出,4个电磁阀串并联布置,提高了安全性——每组至少要打开一个电磁阀,油路才能漏出,4个电磁阀中的任意一个阀门损坏或拒绝动作。不会导致停机并提高可靠性。

AST电磁阀动作原理:以AST-3为例,黑线代表HP高压油,绿线代表无压力回油,红线代表AST油,AST为二级阀,Y型小阀与大阀、电磁阀通电后汽电磁阀,Y型阀关闭,高压油进入压力室,顶住右侧大阀阀座,阻塞AST油路。反之,电磁阀失电,Y型小阀打开,HP高压油排出,右侧大阀在弹簧力作用下打开通道,AST油流出。耗尽。输油管道设有2个相同尺寸的截止孔。关闭孔允许 AST 油通过但不泄漏。截止孔前为AST油压,后为无压回油。两个截止孔之间的油压为 ASP。液压,因此,ASP 约为 AST 液压的 1/2。从上图可以看出,两个截止孔的中间位置分别与1、3电磁阀的出口和2、4电磁阀的入口相连。ASP油压开关可以监测AST的具体动作,尤其是AST时间的单次测试。当#1、3有动作时,ASP油压升高;当#2、4 动作时,ASP 油压下降。这样,可以在操作过程中监控 AST 动作。因此,ASP也可以称为状态油压,

电磁阀:OPC 主要对超速信号感兴趣,该信号由 DEH 控制。如果机组出现甩负荷或超速,DEH会给电磁阀一个3秒脉冲信号,电磁阀打开,OPC油路排空,调节阀快速关闭。当汽轮机转速恢复正常时,电磁阀的电源将被切断,电磁阀将关闭,OPC油压将重新建立。此时,DEH 调整燃气阀,使之与机组开度相匹配。系统中的两个OPC电磁阀为双层保护,防止一个故障和一个不作为,给机组超速留下隐患。隔膜阀 隔膜阀连接低压安全油系统和高压EH高压油系统。它的作用是当汽轮机油系统的压力下降到不能接受的水平时,通过EH系统切断汽轮机,起到保护作用。隔膜阀位于前轴承座一侧。汽轮机正常运行时,低压安全油流入隔膜阀上方的腔室,在隔膜上产生压力,克服弹簧力,使阀门保持在全关位置,阻断AST紧急切断。油 通向回油通道,使机组正常运行。当机械超速机构动作或手动超速杆单独动作时,安全油流失,

05-常见事故案例 EH油系统长期运行出现故障。如何及时有效地处理,对整个机组的安全运行至关重要。FAQ:1、油压晃荡2、EH油压下降3、EH漏油4、执行器故障油系统注意事项:1、油压降到12MPa,检查备用泵是否连接在一起,否则手动开启。2、高温运行时,要注意油温变化,做好冷却准备,防止油温过高导致油质变质和密封圈老化。3、如果发现EH漏油,应在尽可能保持油压的前提下隔离漏油点,并及时联系维修人员补油。4、如果泵出口压差较大,应启动备用泵,联系维修更换过滤器。5、运行泵异常,应切换到备用。6、定期进行压力测量和泄漏检测,以防万一。3月29日凌晨2点,事故发生后,操作人员发现EH油箱油位下降。经检查,原因是#6发动机北侧机油发动机气缸接合面漏油。联系昌伟值班人员处理漏油问题。紧的。处理后漏油量仍逐渐增加,威胁机组的稳定运行。4:00,价值转换器向省报告并开始关闭。此时总负荷为215MW(#5机144MW,#6机71MW)。4:25#6机卸货,4:30#5机卸货。9时18分,拆解油机工票开始。拆装完成后,生技部安排专人将6号机北侧的油电机送到厂家维修。更换 O 型圈并进行 15 分钟的压力测试(油压 15MPa)。处理完成后立即发送到现场进行安装。当日22时58分,全部工作完成,油机恢复正常。初步分析事故原因,拆解油机后O型圈损坏。判断是厂家O型圈安装位置不正确,运行时压力不均,导致运行中O型圈被压坏,EH漏油。存在的问题:设备在制造商制造过程中的组装不符合规范。机组投产后,产品质量缺陷逐渐暴露,说明装备制造过程中的装配质量监管不力。导致O型圈在运行过程中被压坏和EH油泄漏。存在的问题:设备在制造商制造过程中的组装不符合规范。机组投产后,产品质量缺陷逐渐暴露,说明装备制造过程中的装配质量监管不力。导致O型圈在运行过程中被压坏和EH油泄漏。存在的问题:设备在制造商制造过程中的组装不符合规范。机组投产后,产品质量缺陷逐渐暴露,说明装备制造过程中的装配质量监管不力。
主机润滑油系统相关学习笔记,点击以下链接:
点击下方公众号卡片关注蒸汽机学习笔记!

