欢迎来到江苏泰科流体控制阀门有限公司网站!
关于液压电磁阀的工作原理,液压电磁阀是用来控制液压流动方向的,它的工作原理是什么?要想了解液压电磁阀的工作原理,就必须掌握电磁阀的工作原理。阀门的种类很多,但工作原理是一样的。
液压电磁阀的工作原理
液压电磁阀是用于控制流体的自动化基础元件,属于执行器。
液压电磁阀用于控制液压流的方向。工厂中的机械装置一般都是由液压缸控制,所以采用液压电磁阀。那么液压电磁阀的工作原理是什么?
液压电磁阀工作原理:
液压电磁阀中有一个封闭的空腔。不同位置有通孔。每个孔都连接到不同的油管。腔体中间是活塞,两侧是两个电磁铁。通过控制阀体的运动来吸引哪一侧,打开或关闭不同的出油孔,进油孔常开,液压油会进入不同的出油管,然后通过压力推动油缸的油。活塞,活塞带动活塞杆,活塞杆带动机械装置,从而通过控制电磁铁的通断来控制机械运动。
液压电磁阀工作原理图:

1)WE型电磁换向阀图1、图2、图3、图4为WE型电磁换向阀不同口径的结构示意图。
电磁换向阀的基本工作原理是一样的。滑阀阀芯的不同位置由电磁铁控制,以改变油的流动方向。当电磁阀断电时,滑阀通过弹簧保持在中位或初始位置(脉冲阀除外)。按下故障检查按钮将移动滑阀的阀芯。

图1 WE5电磁换向阀结构示意图
液压电磁阀的工作原理是什么,液压电磁阀的原理解析---第2页
1——阀体; 2—电磁铁(左为交流电磁铁,右为直流电磁铁); 3—滑阀; 4—复位弹簧; 5—推杆; 6—故障检查按钮; 7—橡胶保护套

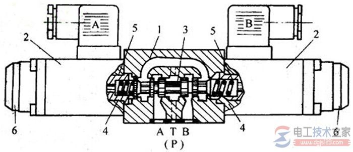
图2 WE6电磁换向阀结构示意图
1——阀体; 2—电磁铁; 3—滑阀; 4—复位弹簧; 5—推杆; 6—故障检查按钮

图3/A型湿式电磁阀结构示意图
1——阀体; 2—湿式螺线管; 3—滑阀; 4——回位弹簧; 5—推杆; 6—故障检查按钮

图4 /L…型干式交流电磁换向阀结构示意图
1——阀体; 2—干式螺线管; 3—滑阀; 4—复位弹簧; 5—推杆; 6—故障检查按钮
液压电磁阀型号含义:
关于液压电磁阀的型号,不同厂家对型号有不同的安排。这里我们举一个例子来说明液压电磁阀型号的含义,比如34BYM-L20H-T,其中34表示三位四通,B为交流型,Y为液压,M为滑阀功能,L为螺纹连接型,20为公称通径,H为公称压力,H为高压31.5MPA,T为弹簧对中型代号。更具体的型号含义请咨询相关厂商。
液压电磁阀的特点:
1、液压电磁阀防止外漏,内漏易控制,使用安全。
2、液压电磁阀系统简单、维护方便、价格低廉。
3、液压电磁阀动作快、功率低、重量轻。
液压电磁阀的分类:
液压电磁阀是指用于液压传动中控制液体压力、流量和方向的元件。在液压电磁阀中,控制压力的称为压力控制阀,控制流量的称为流量控制阀,控制开、关和流量的称为方向控制阀。
调节阀的其他分类:
1、方向控制阀按用途分为止回阀和换向阀。
(1)单向阀:在管路中只允许流体单向接通,反之则截断。
(2)换向阀:改变不同管路之间的通断关系,根据阀芯在阀体内的工作位置个数,分为二、三等;根据对受控通道数,按阀芯驱动方式分为二通、三通、四通、五通等;手动、电动、电动、液压等。
2、压力控制阀按用途可分为溢流阀、减压阀和顺序阀。
(1)溢流阀:当达到设定压力时,它可以控制液压系统保持恒定状态。用于过载保护的溢流阀称为安全阀。当系统发生故障时,压力上升到可能造成损坏的极限值时液体电磁阀,阀口会打开溢流,保证系统的安全。
(2)减压阀:可控制支路获得低于主回路油压的稳定压力。减压阀可分为定值减压阀、差压和比例减压阀门。
(3)顺序阀:一个执行器启动后,其他执行器依次启动。
3、流量调节阀通过调节阀芯与阀体之间的孔口面积及其产生的局部阻力来调节流量,从而控制执行机构的运动速度。流量控制阀根据用途分为5种。
(1)调速阀:当负载压力变化时,能保持节流阀进出口压差为恒定值。
(2)换向阀:无论负载大小,都可以使同一油源的两个执行机构得到与等量换向阀或同步阀相同的流量;.
(3)分流集流阀:兼有分流阀和集流阀的功能。
(4)合流阀:使流入集流阀的流量按比例分配,作用与分流阀相反。
(5)节流阀:调整节流孔面积后,节流阀基本可以保持执行机构的运动速度,负载压力变化小,对运动均匀性要求不高。
液压电磁阀原理

在水泵管路系统中,当泵突然停止时,泵出口处的止回阀迅速关闭,导致阀门出口管路中的循环流量突然下降阀门公司,产生回流冲击压力速度的突变会产生冲击压力波传播。
为了避免此类事故的发生,人们目前使用具有延时关闭特性的阀门,如二级控制关闭蝶阀、带分主阀板的水力控制阀、缓闭止回阀等。水通过泵和转子部件回流以释放压力并消除水锤压力。但由于泄压时间长,回流的水会长时间冲击泵的叶轮液体电磁阀,使泵转子零件的反转速度加快,从而损坏泵转子零件和电机转子零件。与他们相关联。
为了解决以上问题,需要设计一个安装在旁通管路上的自动泄压阀,在泄压时间内将回流引至泵进口,即泄压回流流量不再通过泵转子部件,泄压完成后可自动关闭,彻底解决了泄压回流冲击泵的反转问题,达到有效消除水锤的目的。
1、结构设计
该阀由阀体、液压腔、液压管a和液压管b组成。阀体为四通管,内有液力传动杆、下阀板和上阀板,液力传动杆两端有螺纹。阀体下部通过连接螺钉与底盖连接。阀体上下各有进水口和出水口,与管道连接。阀体中部靠近上部进出水口处有密封座。上阀板与液压传动杆通过焊接连接。板片通过螺母和液压传动杆一端的螺纹与液压传动杆连接,阀体上部通过法兰与液压室连接。
液压腔由液压腔座、液压腔盖、液压腔体和活塞组成。它通过丝杆和螺母与阀体一体化。液压室座设有液压室座套。活塞在液压腔内,液压传动杆通过液压腔座盖的螺母和液压传动杆一端的螺纹与活塞连接。活塞将液压腔分为上腔和下腔。活塞上有一个“O”形密封圈。活塞上的“O”形密封圈与液压腔内壁压紧密封,使液压腔上下腔完全隔离。液压腔盖上开设有通流孔,液压管a通过通流孔与液压腔的上腔连通。液压腔座上设有通流孔,液压管b与液压腔下腔相通,并通过通流孔与液压腔下腔相连。
在上阀板、下阀板和液压室座套上安装“O”型密封圈,在液压室盖与液压室的接合面上安装密封垫片,在液压室之间安装密封垫片和液压室。密封垫圈安装在液压腔座之间的插口配合面上,密封垫圈安装在液压腔座和阀体之间的插口配合面上,密封件安装在阀体和底盖之间和在插口匹配表面垫上。将过滤器和调节阀微型止回阀安装在液压管a上,将过滤器和调节阀安装在液压管b上。液压腔盖上开有通流孔,通过通流孔连接液压管c,液压腔盖上安装微型单向阀,上方安装放气螺塞液压室盖。液压腔盖上装有排气塞,可用于释放液压腔上腔内的气体。
液压腔由液压腔座、液压腔盖、液压腔、膜片上板、膜片、膜片压盖组成。隔膜上板、隔膜和隔膜压盖位于液压腔内。上板在膜片上方,膜片压盖在膜片下方,液力传动杆通过液力传动杆一端的螺母和螺纹与膜片压盖、膜片、膜片上板连接通过液压室座盖。液压室盖、膜片和液压室通过螺钉和螺母连接。隔膜将液压腔分为上下两个腔室,上下腔室完全隔离。
2、工作原理及功能
具有上述结构的旁通液压溢流阀用于输送流体的管路系统中。安装在泵出口止回阀出口侧的旁通泄压管上,可达到以下功能和使用效果。当泵处于启动状态时,与液压管相连的液压室的下腔压力高于与液压管相连的液压腔的上腔压力。在压力差的作用下,活塞向上运动,通过液压传动杆带动下阀板。向上运动,此时液体进入下部进出口,通过阀体从上部进出口流出。
当活塞向上运动,通过液压传动杆带动下阀板向上运动,直到下阀板接触阀体内的密封座,下阀上的“O”形密封圈5板被压缩密封,此时上进出水口和下进出水口无液体流动。此时泵和管路系统处于正常工作状态。与液压腔盖连接的液压管可以加快液压腔内液体的流动,从而加快这一过程。快速前进。
当突然停电时,单向阀自动关闭,液压腔上腔压力大于液压腔下腔压力,活塞向下运动由于压力差的作用,带动下阀板向下移动,“O”形密封圈失去密封作用,液体流入上进出水口,通过下进出水口排出。阀体。同时,上阀板也由液压传动杆驱动。接触时,“O”形密封圈被压缩起密封作用。此时,上部进出水口停止进液,水力作用消除。从下阀板和上阀板同时向下运动,到“O”形密封圈失去密封作用,到“O”形密封圈起密封作用的时间,为泄压时间。
垫片用来保证液压腔内液体不泄漏,垫片用来保证阀体内液体不泄漏。液压腔座套上的“O”形圈用来隔离液压腔和阀体内的液体。为了调节泄压时间,在液压管路上安装了一个调节阀,通过调节阀可以调节泄压时间来控制液压泵上下腔的液体进出速度。室。液压管路上装有过滤器,过滤液体中的杂质,保证液压腔的清洁度。液压管上装有微型止回阀,可用于节流进入液压腔上腔的水流。阀门动作灵活,关闭时间可调(最快15s,最慢348s)。对于复杂的管网系统,具有很好的消除水锤作用。转弯问题。
3、申请
设计制造了口径为80mm、150mm、300mm三种类型的泄压阀,公称压力为1.6MPa。用于自来水、冶金冷却循环水、石化冷却循环水管道系统。经过近1年的运行,证明该阀门动作灵活,关闭时间可调。对于复杂的管网系统,具有很好的消除水锤作用,彻底解决了两级关闭止回阀关闭时间慢和回水反向冲击的问题。表明该阀门的结构和性能设计方法可行,参数选择准确。
旁通液控泄压阀安装在主管路单向阀出口侧的旁通管路上。与止回阀配合使用,利用管道中的加压液体实现驱动和自动控制,彻底解决了传统问题。两级截止阀消除了水锤压力导致排放流量时泵转子部件反转的问题。由于具有关闭时间可调功能,适用于各种复杂管道消除水锤压力,是一种具有推广应用价值的新型泄压阀。
电磁阀是用于控制流体的自动化的基本部件,属于执行器;它们不仅限于液压和气动。电磁阀用于控制液压流的方向。工厂的机械装置一般都是用液压钢控制的,所以用电磁阀。
电磁阀的工作原理:电磁阀内部有一个封闭的腔体,不同位置有通孔。每个孔通向不同的油管。腔体中间是一个阀门,两侧是两个电磁铁。当电磁线圈通电时,阀体会被吸引到哪一侧,通过控制阀体的运动来堵塞或泄漏不同的出油孔,进油孔常开,液压油会进入不同的排油孔。排油管。 ,然后仅靠油的压力推动油的活塞,活塞带动活塞杆,活塞杆带动机械装置运动。这样通过控制电磁铁的电流来控制机械运动。
电磁阀 两位三通电磁阀 进口电磁阀