欢迎来到江苏泰科流体控制阀门有限公司网站!
直动式电磁阀是指电磁力直接作用于阀芯系统。电磁阀的动作功能完全依靠电磁力和复位弹簧,不受介质压差等因素的影响,可靠性高。
由于需要较大的电磁力,受经济影响,这种结构的电磁阀过去多为小口径(≤DN10))电磁阀,用于低压管道系统。水平。1990年代,该技术引进了世界上唯一的大口径直动式电磁阀技术——德国公司的直动式二通电磁阀设计制造技术。通过自主创新的消化吸收,该直动式电磁阀达到DN300。
这种电磁阀的特点:适用介质范围广,能在水、气、油等流体条件下可靠工作。DN50以下电磁阀可任意安装使用,在无压差(从0MPa开始)或真空状态(1.33×10-7MPa)、工作介质可以是正面的或负面的。单向流动可实现双通双向切断。该电磁阀动作可靠,结构简单,使用维修方便,深受用户好评。
一、小口径直动式电磁阀
小口径直动式电磁阀(图1)公称尺寸不大于DN10,动铁芯下部镶嵌密封塞,动铁芯可以实现对电磁阀工作介质的通断控制,所以称为直动式电磁阀。

图1 小口径直动式电磁阀
1——阀体;2——弹簧;3——发动机罩;4—动铁芯;5——线圈;6—静铁芯
小口径直动式电磁阀线圈通电时,磁路产生电磁吸力阀门厂家,将动铁芯抬起,克服复位弹簧的作用力,打开阀座,使工作介质立即循环进入。管道。当线圈断电时,电磁力消失,动铁芯因自重和弹簧力而下落,密封阀座,切断管道内工作介质的流通。
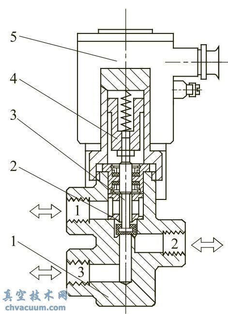
二、直动式二通电磁阀
德国公司进口直动式电磁阀水用电磁阀安装示意图,双座双通结构(图2)。此类电磁阀设计先进,性能可靠。工作压力可从0(无压差)到4.@)。>0MPa,特别适用于条件小于或等于1.33×10-7MPa的真空系统。该阀可实现介质正反两个方向的流动(正反两个方向密封),是目前世界上最大最先进的直动式电磁阀。

图2 直动式二通电磁阀
1——电磁头;2—动铁芯;3—阀杆总成;4——阀座;5—阀体
当二通电磁阀的电磁线圈通电时,产生电磁力,吸力启动铁芯克服弹簧力带动阀杆组件向上运动,开启阀门。当电磁线圈断电时,电磁力消失,动铁芯在弹簧力及其自重的作用下,向下推动阀杆组件关闭阀门。
断电时关闭的电磁阀为常闭电磁阀,断电时打开的电磁阀为常开电磁阀。
三、多通直动式电磁阀
小口径直动式三通电磁阀(图片3)在国内很常见,一般为0~1.0MPa,电磁阀小于等于DN3的直动式电磁阀广泛使用国内外使用,一般多用作多通气动电磁阀的先导阀。

图3 直动式三通电磁阀
但DN12至50口径较大的三通和四通(五通)电磁阀在过去一直是空白。在中国引进德国HERI-ON公司的制造技术后,通过消化吸收实现了国产化。它不仅用作执行器的多路电磁阀,还用于液压和气动执行器。
1、2/3直动式电磁阀结构及工作原理 方向和合流四种功能。

图4 直动式2/3通电磁阀
1—阀体;2—阀座;3—阀杆总成;4—动铁芯;5—电磁头
常开功能:二位三通直动式电磁阀中,“1”为进口,“2”为工作口,“3”为排空口。在关机状态下,端口 1 和端口 2 连接。嘴巴紧闭。当电磁线圈通电时,产生电磁力,密封阀瓣关闭1口,2口与3口相连,此时三通电磁阀实现常开功能。
常闭功能:二位三通直动式电磁阀中,“3”口为进口,“2”为工作口,“1”为排空口。关机状态下,端口1和端口2相连,端口3相连。被切断了。当电磁线圈通电时,产生电磁力,密封阀瓣关闭1口,3口与2口相连,此时三通电磁阀实现常闭功能。
换向功能:二位三通直动式电磁阀中,“2”口为进油口,“1”、“3”口为工作口,2、1口为断电状态。
嘴巴相连,3个嘴巴被切断。当电磁线圈通电时,产生电磁力,密封阀瓣关闭端口1,端口2和端口3连通。此时三通电磁阀实现换向功能。
合流功能:二位三通直动式电磁阀中,“1”、“3”口为进口水用电磁阀安装示意图中外合资阀门厂家,“2”口为工作口。三通电磁阀可实现合流(混合)功能。
2、直动式2/4通(2/5通)电磁阀结构及工作原理工作口(常开常闭)方向固定。其中直动式两位四通电磁阀将“A”和“B”工作口的排气口合二为一,形成直动式两位电磁阀。四通电磁阀。

图5 直动式二位四通(二位五通)电磁阀
1—阀体;2—阀座;3—阀杆总成;4—密封圈;5—动铁芯;6—复位弹簧;7—电磁头
图5中,“P”口为进气口,“A”和“B”为工作口,“R”为排气口。电磁阀线圈断电时,P口与A口相连,B口与R口相连。当电磁线圈通电时,产生电磁力吸引启动铁芯将阀杆和阀瓣抬起,从而使电磁阀实现P口与B口连通,A口连通的换向功能。与 R 端口相连。
电磁阀 直动式电磁阀 二位五通电磁阀