欢迎来到江苏泰科流体控制阀门有限公司网站!
电动蝶阀作为管道中最常见的阀门之一电动法兰式蝶阀,用于实现管道系统中各种介质的通断和流量的控制。已广泛应用于石油、化工、冶金、水电等诸多领域。应用。所以在常用的电动蝶阀中,主要可以分为电动对夹蝶阀和电动法兰蝶阀两种,而这两种阀门各有特点,性能也不一样阀门公司,都可以用在不同的行业。

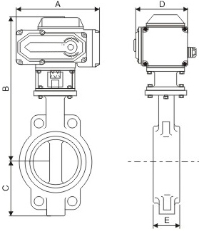
电动对夹式蝶阀

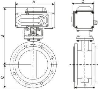
电动法兰蝶阀
对于这两种阀门,除了结构形式不同外,如果在相同的参数下,最大的区别就是连接方式不同,也就是安装形式不同,这要根据现场情况而定!
电动对夹蝶阀与电动法兰蝶阀的区别:
电动对夹蝶阀的厚度比法兰蝶阀薄。阀体两端没有法兰,只有几个导向螺栓孔。阀门通过一组螺栓/螺母连接到管端的法兰。适用于空间比较狭窄或管道受限的场所。优点是拆卸比较方便阀门厂家,阀门成本低,占用空间小,缺点是一个密封面有问题,两个密封面都要拆!

电动对夹蝶阀结构图

电动法兰蝶阀结构图
电动法兰蝶阀阀体两端有法兰电动法兰式蝶阀,法兰与管道法兰连接。密封性能比对夹蝶阀更可靠。一般用于大口径或高压的地方,但成本比较夹式蝶阀高。
两者之间的选择:
但是,在设计中仍然有一些需要注意的地方。例如,对夹式的阀门螺栓一般都比较长。在高温条件下,螺栓的膨胀可能导致泄漏,因此不适合高温条件下的大管径。. 又如对夹式蝶阀一般不能用在管道末端和下游需要拆卸的地方,因为拆卸下游法兰时,对夹式蝶阀会脱落。在这种情况下,必须单独缩短。该截面易于拆卸,而法兰蝶阀则没有上述问题,但成本会更高。
友情提示:相关电动蝶阀系列产品请查看其他蝶阀
电动 法兰 蝶阀