欢迎来到江苏泰科流体控制阀门有限公司网站!

型号 | 公称压力 PN(MPa) | 试验压力PN(MPa) | 适用介质 | 工作温度(℃) | |
壳体 | 密封 | ||||
X13T-1.0 | 1.0 | 1.5 | 1.1 | 水、蒸汽、油品 | ≤100 |
零件名称 | 阀体 | 塞子 | 填料压盖 | 填料 |
X13T-1.0 | 铸铁 | 铸铜 | 铸铁 | 油浸石棉盘根 柔性石墨 |

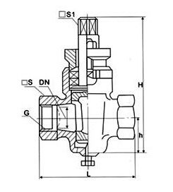
公称通径 DN(mm) | 管螺纹 G | 尺寸(mm) | ||||
L | □S | □S1 | h | H | ||
15 | 1/2 | 85 | 30 | 12 | 26 | 99 |
20 | 3/4 | 90 | 36 | 16 | 34 | 124 |
25 | 1 | 110 | 46 | 18 | 38 | 133 |
32 | 11/4 | 130 | 55 | 18 | 45 | 152 |
40 | 11/2 | 150 | 60 | 26 | 55 | 212 |
50 | 2 | 170 | 75 | 28 | 74 | 260 |
65 | 21/2 | 220 | 90 | 32 | 82 | 295 |
80 | 3 | 250 | 105 | 36 | 125 | 327 |
100 | 4 | 300 | 140 | 46 | 135 | 425 |