欢迎来到
江苏泰科流体控制阀门有限公司
网站!
返回首页
|
加入收藏
|
网站地图
中外合资阀门
首页
公司相关
公司简介
企业文化
荣誉资质
工程案例
企业环境
阀门选型
蝶阀
闸阀
球阀
截止阀
气动阀门
电动阀门
止回阀
隔膜阀
平衡阀
过滤器
减压阀
调节阀
刀闸阀
柱塞阀
排气阀
疏水阀
铜阀门
补偿器
真空阀
排泥阀
衬氟阀门
低温阀门
电站阀门
其他阀门
水力控制阀
相关附件
阀门资讯
公司动态
阀门新闻
阀门知识
阀门咨讯
行业知识
阀门标准
行业资讯
解决方案
阀门应用
消防泵房
水利水务
环保工程
设备配套
石油化工
蒸汽管道
压缩空气管道
其它领域应用
服务中心
售前咨询
产品购买
资料下载
产品承诺
防伪说明
产品选型
代理加盟
联系我们
联系我们
当前位置:
首页
>
阀门选型
>
其他阀门
其他阀门
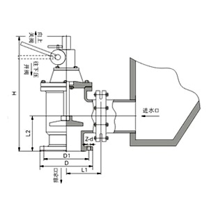
SD44X手动快开排泥阀
SD44X手动快开排泥阀主要用于自来水公司各类水池外,用以排除池底泥沙或污物。本阀由主阀、齿轮箱、齿条手柄、挡位等组成。工作时只要把手柄往下按定位就可以开启,相反就快速关闭。
主要技术参数
公称压力:
1.0MPa 适用介质:水、污水、泥沙
适用温度:常温
阀体齿轮材料:HT200
阀杆材料:不锈钢
阀瓣材料:衬胶板NBR
主要外形尺寸
公称通径
DN(mm)
主要尺寸(mm)
H
L1
L2
D
D1
Z-d
80
450
135
125
195
160
4-18
100
490
165
125
215
180
8-18
150
670
205
145
280
240
8-23
200
760
220
185
335
295
8-23
250
825
260
205
390
350
12-23
上一篇 : HS941X电动活塞式调流调压阀
下一篇 : ZFQ