欢迎来到江苏泰科流体控制阀门有限公司网站!

公称压力 | 0.1Mpa | 适用温度 | SQD6/743X | 蝶阀为橡胶软密封 ≤80℃ ≤120℃ |
密封试验压力 | 0.11Mpa | SQD6/743H | 蝶阀为金属硬密封 ≤350℃ ≤500℃ | |
强度试验压力 | 0.15Mpa | 气源压力 | (气动三通切换阀) 0.4-0.6Mpa | |
启闭切换时间 | 15S | 供油压力 | (液动三通切换阀) 6.3Mpa | |
适用介质 | 含尘气体、烟气、煤气、空气等 | |||

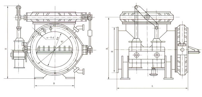
DN | D | D1 | L | n-d | H | H1 | B | 重量 (kg) |
500 | 645 | 6006 | 1130 | 20-22 | 1620 | 1400 | 420 | 1080 |
600 | 755 | 705 | 1400 | 20-26 | 1740 | 1480 | 520 | 1150 |
800 | 975 | 920 | 1595 | 24-30 | 1867 | 1617 | 720 | 1300 |
900 | 1075 | 1020 | 1671 | 24-30 | 2010 | 1725 | 950 | 1560 |
1000 | 1175 | 1120 | 1617 | 28-30 | 1060 | 1775 | 950 | 1680 |
1200 | 1375 | 1320 | 2255 | 32-30 | 2125 | 1840 | 1250 | 1740 |
1400 | 1575 | 1520 | 2255 | 36-30 | 2500 | 2090 | 1250 | 2000 |
1600 | 1785 | 1730 | 2645 | 40-30 | 2835 | 2365 | 1450 | 2400 |
1800 | 1985 | 1930 | 2645 | 44-30 | 3110 | 2640 | 1450 | 2780 |
2000 | 2185 | 2130 | 2413 | 48-30 | 3340 | 2905 | 2050 | 3180 |
2400 | 2600 | 2540 | 2530 | 56-33 | 3500 | 3100 | 2250 | 4140 |