欢迎来到江苏泰科流体控制阀门有限公司网站!

ZRSF(H)电动三通调节阀采用双阀芯上下导向结构,配用电动执行机构机构,阀体为三通结构,即一进两出(分流型),两进一出(合流型),从而达到流体混合升温或降温,或流体不等量分流,满足不同工矿的使用要求。该阀体具有结构紧凑、重量轻、动作灵敏、压降损失小、阀容量大、流量特性精确和维修方便等优点。可用于各种不同的工作条件,特别适用于石油工业热交换器的温度控制系统和其他的各行业的自动化控制系统。本系列产品有常温型、高温型、低温型、调节切断型、波纹管密封型等多种型式。产品公称压力等级有 PN1.6 、 4.0 6.4 ;阀体口径范围 DN20-DN300 ;适用流体温度 -150℃ -+ 560℃ 范围内多种档次;泄露等级氛分为 Ⅳ 级、 Ⅴ 级、 Ⅵ 级;流量特性有直线、等百分比。多种规格可供选择。
二、电动三通调节阀 主零件材料及结构图| 1 | 阀体 | WCB | CF8 | CF 8M | CF 3M | |
| 2 | 阀座 | 304 | 304 | 316 | 316L | |
| 3 | 阀芯 | 304 | 304 | 316 | 316L | |
| 4 | 导向套 | WCB | CF8 | CF 8M | CF 3M | |
| 5 | 阀盖 | WCB | CF8 | CF 8M | CF 3M | |
| 6 | 阀杆 | 304 | 304 | 316 | 316L | |
| 7 | 填料 | PTFE/ 柔性石墨 | ||||
| 8 | 弹簧 | 65Mn | 304 | 316 | 316L | |
| 9 | 螺母 | 304 | 304 | 316 | 316L | |


注:常温型:常温型工作温度 -20-+ 200℃ ,泄露等级为 Ⅳ 级。
高温型阀盖增设散热片,可用于介质温度 -60-+ 450℃ 的场合。
波纹管密封型对上下移动的阀杆形成完全的密封,堵绝流体外漏。
低温型采用加长阀盖加隔热板结构可于 -196℃ 深冷场合。
| 公称通径 DN ( mm ) | 20 | 25 | 32 | 40 | 50 | 65 | 80 | 100 | 125 | 150 | 200 | 250 | 300 | |
| 额定流量系数 (KV) | 合流 | 6.3 | 8.5 | 13 | 21 | 34 | 53 | 85 | 135 | 210 | 340 | 535 | 800 | 1280 |
| 分流 | 85 | 135 | 210 | 340 | 535 | 800 | 1280 | |||||||
| 额定行程 L ( mm ) | 16 | 25 | 40 | 60 | 100 | |||||||||
| 公称压力 PN ( MPa ) | 1.6 2.5 4.0 6.4 10.0 | |||||||||||||
| 执行机构型号 | PSL | PSL201 | PSL202 | PSL204 | PSL208 | PSL312 | PSL320 | |||||||
| 3810L | 381LSA-08 | 381LSA-20 | 381LSB-30 | 381LSB-50 | 381LSC-65 | 381LSC-160 | ||||||||
| 固有流量特性 | 直线、等百分比 | |||||||||||||
| 固有可调比 | 30 : 1 | |||||||||||||
| 工作温度 t ( ℃ ) | 普通型:铸钢 -40-250 ;铸不锈钢 -60-250 散热型:铸钢 -40-450 ;铸不锈钢 -60-450 | |||||||||||||
| 输入信号 | 0-10mADC 、 4-20mADC 、 220VAC (开关信号) | |||||||||||||
| 电源电压 | 220VAC 50Hz | |||||||||||||
1 、电动执行机构主要性能参数
| 型号 | 额定输出力 N | 速度 mm/s | 技术参数 | ||||
| PSL | 381L | PSL | 381L | PSL | 381L | PSL | 381L |
| 201 | 381LSA-08 381LXA-08 | 1000 | 800 800 | 0.25 | 4.2 4.2 | 电源: AC220V 50Hz 输入信号: DC4-20mA DC1-5V ( 信号线用屏蔽线 ) 输出信号: DC4 ~ 20mA 防护等级: IP67 带手轮 | 电源: AC220V 50Hz 输入信号: DC4-20mA DC1-5V ( 信号线用屏蔽线 ) 输出信号: DC4 ~ 20mA 防护等级:相当 IP55 隔爆标志: ExdⅡBT4 带手柄 |
| 202 | 381LSA-20 381LXA-20 | 2000 | 2000 2000 | 0.50 | 2.1 2.1 | ||
| 204 | 381LSB-30 381LXB-30 | 4500 | 3000 3000 | 0.50 | 3.5 3.5 | ||
| 208 | 381LSB-50 381LXB-50 | 8000 | 5000 5000 | 1.00 | 1.7 1.7 | ||
| 312 | 381LSC-65 | 12000 | 6500 | 0.60 | 2.8 | ||
| 325 | 381LSC-99 | 25000 | 10000 | 1.0 | 2.0 | ||
2 、主要性能指标
| 项目 | 指标值 | ||
| 基本误差% | 配 3810L ±2.5 ; 带定位器 ±1.0 | ||
| 回差% | 配 381L ±2.0 ; 配 PSL±1.0 | ||
| 死区% | 1.0 | ||
| 始终点偏差% | 电开 | 始点 | ±2.5 |
| 终点 | ±2.5 | ||
| 电关 | 始点 | ±2.5 | |
| 终点 | ±2.5 | ||
| 可调范围 | 50 : 1 | ||
| 额定行程偏差% | 2.5 | ||
| 泄量量 L/H | 符合 JB/T7387-94 IV 级 小于阀的额定容量 ×10-4 | ||
3 、允许压差
| 公称通径 (mm) | 20 | 25 | 40 | 50 | 65 | 80 | 100 | 150 | 200 | 250 | 300 | ||||||
| 阀座直径 (mm) | 10 | 12 | 15 | 20 | 25 | 32 | 40 | 50 | 65 | 80 | 100 | 125 | 150 | 200 | 250 | 300 | |
| 执行机构 | 允许压差 △P ( MPa ) | ||||||||||||||||
| 配 PSL | PSL202 | 6.4 | 6.4 | 6.4 | 4.90 | 3.14 | 1.92 | 1.23 | 0.78 | ||||||||
| PSL204 | 4.31 | 2.76 | 1.76 | 1.04 | 0.69 | 0.44 | |||||||||||
| PSL208 | 1.86 | 1.23 | 0.78 | 0.50 | 0.35 | 0.20 | |||||||||||
| PSL320 | 1.26 | 0.87 | 0.49 | 0.32 | 0.22 | ||||||||||||
| 配 381L | 381LSA-20 | 6.4 | 6.4 | 6.4 | 4.90 | 3.14 | 1.92 | 1.23 | 0.78 | ||||||||
| 381LSB-50 | 4.79 | 3.06 | 1.96 | 1.16 | 0.76 | 0.49 | |||||||||||
| 381LSC-65 | 1.51 | 0.99 | 0.64 | 0.41 | 0.28 | ||||||||||||
| 381LSC-99 | 0.63 | 0.44 | 0.25 | 0.16 | 0.11 | ||||||||||||
注 : 实际配置需根据具体工艺参数确定。如果允许压差一清楚或最大工作压差超出列表范围,请与我们联系,采取适当方法可解决

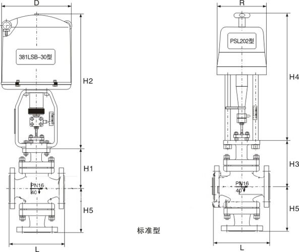
| 公称通径( DN ) | 20 | 25 | 32 | 40 | 50 | 65 | 80 | 100 | 125 | 150 | 200 | 250 | 300 | |||
| 结构长度 ( L ) | PN16/25 | 180 | 185 | 200 | 220 | 250 | 275 | 305 | 350 | 410 | 450 | 550 | 670 | 770 | ||
| PN40 | 185 | 190 | 210 | 230 | 255 | 285 | 310 | 355 | 425 | 460 | 560 | 690 | 795 | |||
| PN64 | 190 | 200 | 220 | 240 | 265 | 295 | 320 | 370 | 440 | 475 | 570 | 752 | 819 | |||
| 常温型 ( H ) | PN16/25 | 535 | 553 | 556 | 698 | 703 | 959 | 969 | 981 | 1061 | 1076 | 1109 | 1361 | 1458 | ||
| PN40 | 540 | 558 | 561 | 703 | 708 | 964 | 974 | 986 | 1066 | 1081 | 1114 | 1366 | 1463 | |||
| PN64 | 545 | 563 | 566 | 708 | 713 | 969 | 979 | 991 | 1071 | 1086 | 1119 | 1371 | 1468 | |||
| 高温型 ( H ) | PN16/25 | 735 | 753 | 756 | 898 | 903 | 1209 | 1219 | 1231 | 1381 | 1396 | 1429 | 1711 | 1808 | ||
| PN40 | 745 | 763 | 766 | 908 | 913 | 1219 | 1229 | 1241 | 1391 | 1406 | 1439 | 1721 | 1818 | |||
| PN64 | 755 | 773 | 776 | 918 | 923 | 1229 | 1239 | 1251 | 1401 | 1416 | 1449 | 1731 | 1828 | |||
| H1 | PN16/25 | 95 | 117 | 120 | 139 | 144 | 188 | 208 | 220 | 268 | 278 | 320 | 441 | 465 | ||
| PN40 | 100 | 122 | 125 | 144 | 149 | 193 | 213 | 225 | 273 | 283 | 325 | 446 | 470 | |||
| PN64 | 105 | 127 | 130 | 149 | 154 | 198 | 218 | 230 | 278 | 288 | 330 | 451 | 475 | |||
| H2 | 87 | 90 | ||||||||||||||
| D | 225 | 257 | 310 | |||||||||||||
| 压力等级 | GB : 1.6 、 2.5 、 4.0 、 6.4MPa ANSI : 150 、 300 、 600LB JIS : 10 、 20 、 30K | |||||||||||||||
| 执行机构 | PSL 系列、 3810 系列、 DKJ 或 DKZ 系列等 | |||||||||||||||