欢迎来到江苏泰科流体控制阀门有限公司网站!

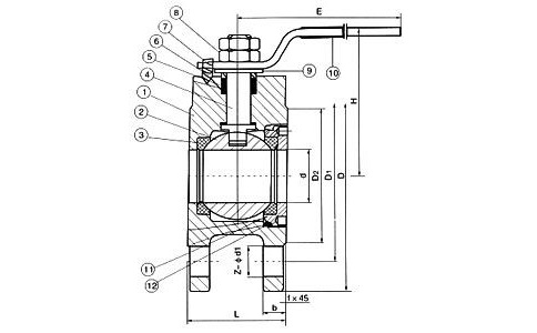
一、超薄型对夹式球阀相关概述
Q71F超薄型对夹球阀是引进意大利技术进行国产化设计而发展出的一款短法兰距离球阀。对夹球阀的关闭件是个球体,球体绕阀体中心线做旋转运动来达到开启关闭。阀座采用弹性密封结构,密封可靠,启闭轻松。设有耐火结构,万一发生火灾时,仍然能够可靠操作并具有良好的密封性。根据用户需要,可设有防静电结构。
二、超薄型对夹式球阀的特点
⒈偏心独特设计使密封面之间无摩擦传动,延长了阀门使用寿命。
⒉由扭矩产生弹性密封。
⒊体积小、重量轻、操作轻巧、便于安装。
⒋更换零件材质可适用于各种介质。
三、超薄型对夹式球阀参数表
| 公称通径:DN15-DN200 | 公称压力:1.6MPa-6.4MPa | 适用介质:水、气油等 |
| 适用温度:-10℃-160℃ | 阀体材质:碳钢、不锈钢 | 连接方式:对夹法兰 |
| 薄型对夹式球阀 | 高平台对夹式球阀 |
四、超薄型对夹式球阀尺寸表

| Size | PN | d | L | C | B | D | H | H1 | E |
| DN15 | 10-40 | 15 | 42 | 45 | 65 | 95 | 48.5 | 76 | 110 |
| DN20 | 10-40 | 20 | 44 | 58 | 75 | 105 | 53.5 | 81 | 110 |
| DN25 | 10-40 | 25 | 50 | 68 | 85 | 115 | 59 | 90 | 160 |
| DN32 | 10-40 | 30 | 60 | 78 | 100 | 140 | 71 | 102 | 160 |
| DN40 | 10-40 | 36 | 65 | 88 | 110 | 150 | 78 | 115 | 185 |
| DN50 | 10-40 | 46 | 80 | 102 | 125 | 165 | 85 | 122 | 185 |
| DN65 | 10/16 | 57 | 110 | 122 | 145 | 185 | 100 | 168 | 305 |
| DN80 | 10/16 | 73 | 120 | 138 | 160 | 200 | 110 | 178 | 305 |
| DN100 | 10/16 | 90 | 150 | 158 | 180 | 220 | 130 | 198 | 305 |
五、超薄型对夹式球阀相关应用
薄型球阀采用了一个双偏心和一个特殊斜锥椭圆密封结构。解决了传动偏心蝶阀在启闭0°~10°瞬间密封面仍处于滑动接触摩擦的弊病,斜面球阀实现阀板在开启瞬间密封面即分离,关闭接触即密封的效果,达到延长使用寿命、密封性能好的目的。
| 温馨提示: 本文中所有文字、数据、图片均只适用于参考。需要查看更多的超薄型对夹式球阀性能参数、结构尺寸参数等详情,请联系我们。 |