欢迎来到江苏泰科流体控制阀门有限公司网站!
节阀和程式阀的原理及原理子的区别
自力式流量调节阀自力式流量调节阀,又称流量调节阀,俗称自力式和程式阀。因此,根据流量调节阀的常见规格选择相应的可调的活塞压缩率,2-7孔、7-11孔和12孔,最大可以同时调节3个可调压缩率的泉水。二、流量调节阀可采用两种系列:标准型(硬壳系列)和机械式(机械程序系列)。止回阀子一般又称为激光止回阀子,其实在等同阿拉伯数......
[2022-07-19]
热力焊接球阀 金旗舰旗哥:暖气供暖管网要关注那些问题啦?
一、供热管网工程常见的故障分析供热管网工程中由于供热系统运行时间较长,管道或管道附件很容易发生损坏或者腐蚀的现象,以下就管道及管道附件的故障进行分析,找出原因,并及时解决。通常引起供热管网出现问题的不仅仅只是管道出现故障,其管道的附件出现故障也会导致供热管网不能正常运行。管道附件故障主要是指闸阀、补偿器或者其他附件发生......
[2022-07-19]
低压阀门抽查20%的工业阀门方法及注意事项!
阀门试压常用的介质有水、油、空气、蒸汽、氮气等,各类工业阀门含气动阀门的试压方法如下:球阀的试压方法止回阀的试压方法蝶阀的试压方法气动蝶阀的强度试验与截止阀一样。旋塞阀的试压方法闸阀的试压方法另一种方法是将闸板开启,使阀门试验压力升至规定值;然后关闸板,打开一端盲板,检查密封面是否渗漏。(3)阀门密封试验进行低压密封试......
[2022-07-19]
进口氧气减压阀品牌哪家好--德国进口介质描述
进口氧气减压阀品牌哪家好-德国洛克进口氧气减压阀介质描述:进口氧气减压阀规格参数:进口氧气减压阀安装说明:4、减压阀阀前和阀后必须装截止阀,更换或者维修时开关气体用进口氧气减压阀产品简介:LOCKE》进口氧气减压阀是指用于氧气管路中,由阀后压力进行控制的减压阀。进口氧气减压阀订货须知:数,由我们德国洛克阀门技术员为您审......
[2022-07-19]
球阀阀门 WCB常用阀门的压力与温度等级的规定-苏州安嘉
常用阀门材质:阀体、阀盖和闸板(阀瓣)是阀门主要零件之一,直接承受介质压力,所用材料必须符合“阀门的压力与温度等级”的规定。三、球墨铸铁:适用于PN≤4.5MPa,阀门还是采用钢制阀门为安全。四、耐酸高硅球墨铸铁:适用于公称压力PN≤0....
[2022-07-19]
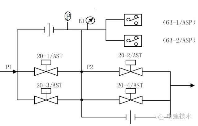
ETS是电厂热控设备中最重要的保护系统之一遮断控制
由于采用双路双阀门的顺序或交叉连接系统,不仅确保系统的动作可靠,而且当任何一个阀门不动作或在线试验时,系统仍然有保护功能。要了解AST试验块功能,首先由了解主汽门和调门的控制原理,先介绍主汽门工作原理,下图2是二期主汽门MSV1、3、4的控制油路图;模块做相应的动作,那么相关的油动机就实现关闭。...
[2022-07-19]多年阀门制造经验
专注流体设备研发生产制造