欢迎来到江苏泰科流体控制阀门有限公司网站!
向上膨胀卸料阀多用于反应釜、储罐及容器底部等处,其作用是卸料、卸料、取样。仅知道阀门名称还不足以让我们选择合适的阀门。 ,我将通过这些年的经验告诉你如何选择合适的上扩式排放阀:
1、 第一步是找出你自己的反应器、储罐和容器底部的连接端口的大小。最好有详细的尺寸图,方便您购买时购买卖家的接口尺寸和尺寸。反应釜、储罐和容器底部可以连接,这点很重要,如图A(假设情况),你已经弄清楚了反应釜底部接口的形式和尺寸,和以后大部分阀门都不会出问题。的。很多情况下,前面的工作都做好了,阀门也买了,但是在最后的安装中,却无法连接。你要问会发生什么?连接口形式与阀门接口形式不匹配,螺栓孔数不匹配,螺栓尺寸无法关闭,阀门全开时行程太短,阀瓣时全开、下料不下来或进料太慢等。这是连接口的问题

图片A
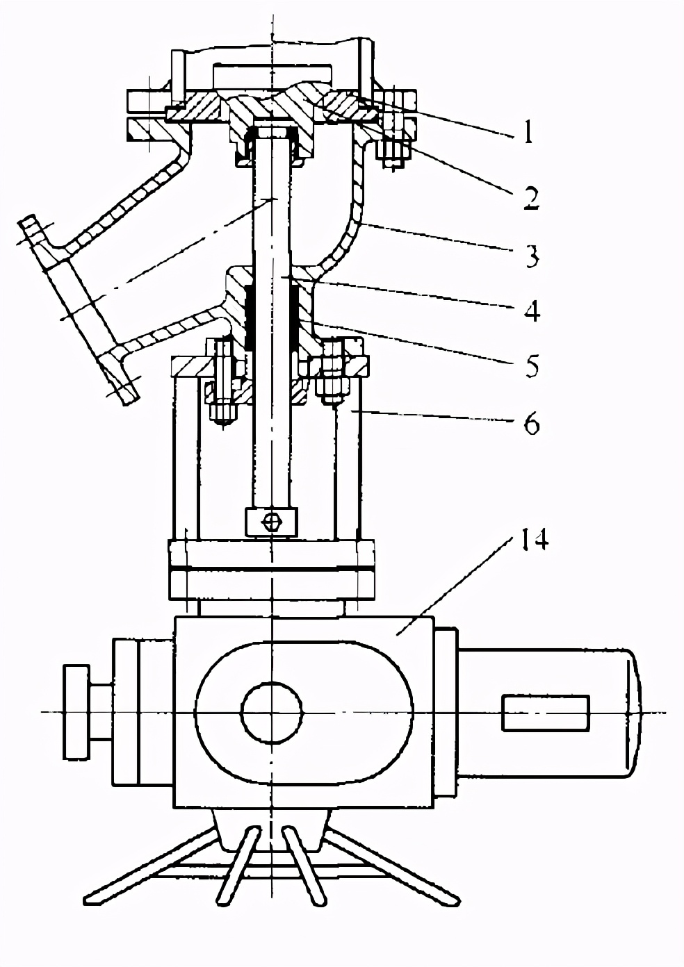
2、所用介质的状态也很重要。这就涉及到上展开排放阀设计中的阀瓣结构,如下图B所示。 2是阀盘的位置。膨胀排放阀工作时,在驱动器14的作用下,阀杆转动,推动阀盘2向上运动,阀门逐渐开启。如果物料容易结块,不易掉落,则需要对阀瓣进行特殊设计。可起到顶料分离的作用,使结块的物料及时分解成小块并落下。有的物料不是因为结块,而是因为上面的物料被挤压不锈钢放料阀,下面的物料没有及时倒下形成堆垛。当它们压在一起时不锈钢放料阀,它们在顶部接触时也会很好地落下。但是,图C中向上展开的排放阀的平顶阀瓣不是很好。考虑到成本,图 C 更适合充液材料介质。 ,更经济,更容易堆砌的材料,我们通常选择图D中的这种阀瓣。

图B:向上展开排放阀的平顶阀瓣

图片C:向上伸展的椎间盘

图D:向上扩展的顶点盘
2、上扩排放阀主体所用的材料还与材料本身的温度、腐蚀性、粒度等有关。如果材料本身没有腐蚀性阀门公司,则工作温度不高。 ,碳钢材质也能满足这种情况,阀体推荐使用碳钢,常用的WCB、20#等,最大限度的性价比,如果材质有腐蚀性,碳钢材质满足不了使用要求中外合资阀门厂家,那么就需要更换材质了,比如不锈钢CF8\304等,使用不锈钢主材,使用温度也有所提高,在实际应用过程中,食品医药行业是全不锈钢主材,这个一般是没得商量的,这个是从食品药品安全的角度考虑的,也可以提高阀门的使用寿命。阀门的主体有哪些?带阀体、阀瓣、支架
3、 在上扩排放阀的密封面上,这一点也很重要。它涉及到阀门是否可以密封以及在完全关闭时其寿命的长短。当阀门全关时,能否实现密封,除了驱动装置外,完全取决于阀座与阀瓣之间的密封面能否达到协同密封。如果关闭时不允许物料继续下落,甚至下落后造成经济损失或生命安全,则阀门的密封性能必须特殊。需要说明的是,碳钢上扩排放阀的密封面多采用堆焊马氏体不锈钢或304,不锈钢阀体的密封面可以直接在阀体上加工。但这种材料形成的密封面只能应用于材料不冲刷密封面或冲刷较小的情况。如果密封损坏,将导致向上排放阀的使用寿命降低,至少在阀门完全关闭时是这样。当密封面可能泄漏时,如何处理?就是改变密封面的材料。一般是堆焊硬质合金材料或喷涂硬质合金等耐磨性和耐冲蚀性高的材料。这样在阀门使用过程中密封面得到很好的保护,延长了使用时间。有时,为了保护所有阀瓣不受损坏,将阀瓣上部焊接在密封面上,结合部分堆焊硬质合金或喷涂硬质合金材料,以提高阀门的使用寿命.
4、 在阀门设计标准方面,这也是非常重要的。向上排放阀设计为压力容器。其制造商必须具有压力容器生产许可证等设计、生产资质。其次,在实际过程中,厂家按照设计标准规范进行,这也涉及到阀门是否合格,是否适合使用。对阀门的结构形式、基本参数、连接端、材料、试验方法、订货要求、标志、安装等都有详细的规定,而且只有在有设计标准的情况下,你去检查阀门时,你可以有所作为。依据不是产品出来,不是厂家说的合格,而是按标准要求验收。
5、阀杆的材质也很重要。最好指定采购。以WCB等碳钢材料为主体。标准配置一般是这种材料,需要调质处理。 HB200~275,为什么?提高阀杆的性能,如阀杆的韧性和强度,这是驱动部分。如果动作频繁,阀杆就很重要了。
6、最后别忘了让厂家给你完整的产品样图,这样你就可以跟实际系统核对尺寸,检查结构是否合理。也是tycovalve.cn/' target='_blank'>阀门厂家对产品相关质量的承诺,如果没有图纸的话,当时谁也说不上具体参考哪一个。
7、关注我,下一节将为您介绍上扩式排放阀验收应注意的事项。
阀门厂家