欢迎来到江苏泰科流体控制阀门有限公司网站!
蝶阀又称蝶阀。顾名思义,它的关键部件就像迎风自由旋转的蝴蝶。蝶阀的圆盘是一个圆盘,它在阀座内绕轴旋转。旋转角度的大小就是阀门的开闭度。


01
蝶阀的结构
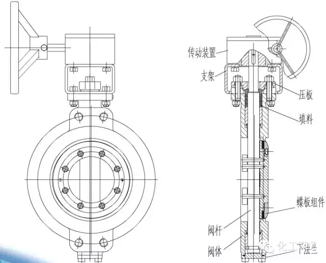
蝶阀主要由阀体、活体、阀轴、轴承、密封装置、操作机构及辅助部件组成。


◆◆◆
蝶阀的结构:






02
蝶阀的工作原理
蝶阀是一种根据阀杆的转动和蝶板的转动来开启和关闭的阀门。在蝶阀阀体的圆柱形通道中,盘形阀瓣绕轴线旋转,主要是通过将阀板旋转90°。对于流量控制,当阀瓣达到90°时泰科阀门,阀门处于全开状态,可以改变阀瓣的角度来调节介质的流量,一般安装在管道的直径方向。蝶阀和阀杆没有锁定能力。为了有效调节流量,需要安装蜗轮减速机。带蜗轮减速器的蝶阀不仅使蝶阀具有自锁能力,而且改变了蝶阀的工作性能,更准确地调节介质流量。 .
1、蝶阀在全开时流阻较小。当开度在15°~70°左右时,可以进行灵敏的流量控制,因此蝶阀在大口径调节领域的应用非常普遍。由于蝶阀板的运动是擦拭运动,因此大多数蝶阀可用于具有悬浮固体颗粒的介质。根据密封强度的不同,也可用于粉状和颗粒状介质。
2.蝶阀适用于流量调节。由于蝶阀在管道中的压力损失比较大,大约是闸阀的三倍左右,所以在选择蝶阀时,要充分考虑管道系统压力损失的影响,以及强度关闭时还应考虑蝶板承受管道介质压力的能力。 此外,还必须考虑弹性阀座材料在高温下的工作温度限制。
3.蝶阀结构长度和整体高度小,启闭快,流体控制特性好。蝶阀的结构原理最适合制作大口径阀门。当需要使用蝶阀进行流量控制时,最重要的是正确选择蝶阀的规格和型号tycovalve,使其能够正常有效地工作。
03
蝶阀分类
1、同心蝶阀
同心蝶阀 这种蝶阀的结构是阀杆轴心、阀瓣中心和阀体中心在同一位置。


结构简单,制造方便。常见的衬胶蝶阀属于这一类。缺点是蝶板和阀座总是被挤压和刮擦,阻力大,磨损快。为了克服挤压、划伤和保证密封性能,阀座基本采用橡胶或聚四氟乙烯等弹性材料制成蝶阀规格,但在使用中也受到温度的限制。这就是为什么传统上人们认为蝶阀不耐高温的原因。原因。
2、单偏心蝶阀
为解决同心蝶阀蝶板与阀座之间的挤压问题,生产了单偏心蝶阀。然后成为旋转轴,分散,减少蝶板上下端与阀座的过度挤压。

但由于单偏心结构在阀门的整个启闭过程中并未消失,因此蝶板与阀座之间的刮擦现象并未消失蝶阀规格,应用范围与同心蝶阀的,所以用的不多。
单偏心蝶阀结构特点:
1、阀瓣的旋转中心(即阀轴中心)位于阀体中心线上,在阀板密封段上形成A尺寸偏移。单偏心蝶阀是蝶板旋转中心在阀体中心线上,阀板与密封面有一定距离,适用于软密封。
2。阀门关闭时,阀座与阀板密封面处于相对过盈状态。为实现密封,主要是对密封圈进行压缩,使其沿圆周方向膨胀,从而产生密封比压和管道压力。阀板受力使其密封,因此只能单向密封。
3、阀门开启时,阀板与阀座接触的一侧与阀座分离,另一侧始终沿半圆轴向两点接触。密封圈反复启闭容易损坏,影响密封性能,更不可能实现金属密封。
4、从几何上看,可以清楚的看出上图中不存在X,反之,有一定的干扰。
3、双偏心蝶阀
双偏心蝶阀是在单偏心蝶阀的基础上进一步改进,应用最广泛的双偏心蝶阀。
双偏心蝶阀结构特点:
阀板的旋转中心(即阀轴的中心)形成从阀板密封段偏移的尺寸A和从阀体中心偏移的尺寸B。

其结构特点是阀杆轴心偏离阀瓣中心和阀体中心。双偏心的作用使阀瓣在打开阀门后立即脱离阀座,大大消除了阀瓣与阀座之间不必要的过度挤压和划伤,降低了开启阻力,减少了磨损,提高了阀座生活。刮擦大大减少,同时双偏心蝶阀还可以使用金属阀座,提高了蝶阀在高温领域的应用。
双偏心蝶阀的密封原理
由于其密封原理是位置密封结构,即阀瓣与阀座的密封面为线接触,阀瓣压紧阀座产生的弹性变形产生密封作用,所以关闭位置要求很高,尤其是金属阀座,承压能力低,这就是为什么传统上认为蝶阀不耐高压,泄漏量大的原因。





4、三偏心蝶阀
三偏心蝶阀必须耐高温,必须采用硬密封,但如果泄漏量大,则必须采用零泄漏,必须采用软密封,但不耐高温.


三偏心蝶阀的结构特点:
阀板的旋转中心(即阀轴中心)在阀板密封段上形成A偏置,与阀体中心形成a偏置;阀体密封面中心线与阀座中心线(即阀体中心线)形成角度β的角度偏移。
为了克服双偏心蝶阀的矛盾,蝶阀第三次偏心。其结构特点是阀瓣密封面圆锥轴偏离阀体圆柱轴线,而双偏心阀杆位置偏心,即第三偏心后阀瓣密封断面不再那么它是一个真正的圆形,而是一个椭圆,它的密封面的形状也是不对称的,一侧与阀体中心线倾斜,另一侧与阀体中心线平行。
三偏心蝶阀最大的特点是从根本上改变了密封结构,不再是位置密封,而是扭转密封,即不依靠阀座的弹性变形,但完全依靠阀座的接触面压力来达到密封效果。



