欢迎来到江苏泰科流体控制阀门有限公司网站!

第1部分:AST电磁阀结构







第二部分:AST 干预细节
1 关键中断控制简介
汽轮机紧急跳闸系统ETS(Trip)是汽轮发电机紧急情况下的保护系统。主要参数经过逻辑处理,统一输出保护信号和停机、停炉、快速关门、关闭抽汽检查门等各种报警信号。 ETS是电厂热控设备中最重要的保护系统之一。无论是拒绝还是故障,都会造成非常严重的后果。需要保证汽轮机ETS的准确性、快速性和可靠性。本次主要介绍汽轮机紧急停电系统的AST停电控制部分。
2 AST 临界跳闸控制简介
2.1AST 临界跳闸控制介绍
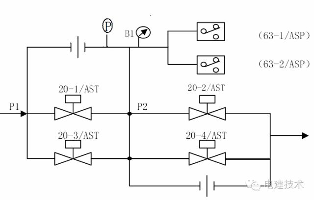
关键跳闸控制块 主要部件:2个压力开关、2个孔板、4个AST电磁阀、ASP压力表和压力变送器,跳闸电磁阀分为两个通道:一对奇数AST电磁阀是1个频道;一对偶数AST电磁阀为2通道,电磁阀串并联,4个电磁阀在机组锁定后全部通电。图1是一个关键跳闸控制模块的示意图。

图 1 AST 临界跳闸控制块
P1-是中断主管的压力; 63-1/ASP-ASP高油压(大于10.6Mpa); 63-2/ASP-ASP(小于4.8Mpa)油压低P2为ASP油压。从图1可以看出,临界跳闸控制块具有以下特点:
机组锁定时,即AST油压建立后,P2≈P1/2,满足主阀和节流阀的开启条件。
当两个通道同时动作时,解除AST油压,关闭机组主阀和调节阀,实现机组保护跳闸。
当第一个通道有效时,即[(20-1)/AST和(20-3)/AST]之一掉电时,P2≈P1。
第二通道工作时,即[(20-1)/AST和(20-3)/AST]之一掉电时,P2≈0。
当只有一个通道起作用时,例如,任何电磁阀发生故障,P1 保持不变,设备不跳闸。同时,当任一电磁阀不动作时,机组保护仍能正常动作。
在 AST 模块中设置了两个孔口。首先,这样的串并联结构使系统更加可靠,也可以减少系统所需的流量,降低功耗。
由于二通二阀的顺序或交叉连接系统,不仅保证系统运行可靠阀门厂家,而且系统在任何阀门不动作或不动作时仍具有保护功能。在线测试。也就是说,只有在一对奇数或偶数电磁阀不工作的双重故障下,保护系统才会失效。
2.2 具体紧急跳闸功能的实现
要了解AST试块的功能,首先要了解主阀和节流阀的控制原理,先介绍一下主阀的工作原理,下图2是第二阶段主阀MSV1、3、4的控制油路图;

图2主阀MSV1、3、4油路图
图中绿线表示AST油压,白线表示EH有主管油压,蓝线表示压力回油,黄线表示OPC油压,主主控阀门的组成部分有卸荷阀、伺服阀、电磁阀、油马达、节流阀、止回阀、手动门等。接下来介绍卸荷阀。卸荷阀分为三腔,安全油腔、压力油腔、回油腔。当安全油建立时,安全油口的压力几乎等于压力油口的压力电磁阀原理图详解,而且由于安全油的作用面积大于压力油口的作用面积下,压力油口的油不能打开阀芯,压力油不能从回油口逸出。
油泵的油通过高压主管进入油马达,一路流向电磁阀或伺服阀。压力室相连,另一路通过节流孔进入油马达卸荷阀的安全油室。这时,安全油从卸荷阀安全油室的其他小孔流出,通过油马达上的逆止器。阀门进入AST主管,使油马达的安全油压完全由AST控制。模块。只要AST。模块执行相应动作,相关油马达将关闭。
调节阀的控制与主阀基本相同。下图3是高调阀的油路图。图中黄线代表OPC油压。与主阀的主要区别在于安全油在卸荷阀的安全油腔内。小孔流出并通过油马达上的止回阀进入OPC总管。油马达的安全油压完全由OPC模块控制。

图3高调油门示意图
返回到 AST.OPC 模块的图 4。图中白线代表高压油,绿线代表AST油,粉线代表无压回油,黄线代表OPC油压。四个 AST 电磁阀是 1、2、3、4。 1、3 套,2、4 套。我们以图中的AST1阀门为例。 SAT 是二级阀门。电磁阀通电后,图中电磁阀高压油路油路闭合。高压油进入后形成压力室,密封AST油道。卸油,卸荷阀在弹簧作用下打开,卸出AST油。但是AST1中的AST油只能卸到AST2、4中。如果 2、4 中没有动作,则无法卸载 AST 油。因此,一组中的至少一个阀被激活以释放 AST 油压。这具体说明了4个阀门中的任何一个出现故障,AST油压无法去除,任何拒绝动作都不会导致油压无法去除。
OPC电磁阀是超速保护控制电磁阀,由DEH控制器的OPC部分控制。正常运行时,两个电磁阀失电常闭,关闭OPC主管的排油通道,使主汽调节汽阀和再热调节汽阀的执行器活塞下腔可以增加油压。一旦 OPC 启动,例如,当转速达到额定转速的 103% 时,两个电磁阀被激励(通电)打开以排出 OPC 主管中的油。这样相应的执行器上的卸荷阀快速打开,从而使调节汽阀和再热调节汽阀快速关闭。

图 4 AST.OPC 模块
通过图4分析OPC和AST的关系。图4中的绿线是EH油泵出来的油通过每个油马达内部的一个节流孔和一个止回阀,油马达来到AST母亲。管内的AST油和OPC油来路相同,只是OPC油是通过节气门马达出来到OPC总管的,而AST油是通过主气门节流马达出来到AST总管的,并且OPC主管到AST 主管上有一个单向阀,方向是从OPC到AST,所以当OPC电磁阀启动时,OPC油减压后阀门关闭,但AST油压正常,主阀不工作,但如果启动AST电磁阀,AST油减压后,由于OPC的压力高于AST,OPC也流向AST管路同时通过单向阀卸压。此时调节阀和主阀同时关闭。
总结:AST.OPC模块中的卸荷阀和油机上的卸荷阀唯一的区别就是AST.OPC上的卸荷阀有一个电磁阀(图中AST和OPC电磁阀)控制安全 油是建立还是流向无压回油,即油马达的安全油由AST.OPC模块控制,AST.OPC的安全油由电磁铁控制阀,AST油可以控制OPC油压。实际本地AST.OPC设备如图5所示:

图片5、AST.OPC本地设备图
3个ETS试块在线测试
3.1 逻辑描述
在线测试原理:即使用一只AST电磁阀不带电不会导致机组跳闸,一只AST电磁阀不带电,保护功能正常动作,专用压力开关63-1/ASP, 63-2/ASP 显示每个通道电磁阀的在线结果。
它将使一个通道中的一个电磁阀断电。当第一通道AST1或3失电,即第一通道打开时,ASP油压上升到P2≈P1,压力开关63-1/ASP(大于10.6Mpa )动作,作为实验成功的反馈信号,但P1截止油压不会改变,保证机组安全。
当第二通道AST2或4失电,即第二通道打开时,ASP油压下降到P2≈0,压力开关63-2/ASP(大于4.8Mpa )作为实验反馈信号是否成功,但P1的油压不会改变,以保证机组的安全。
AST在线测试的具体逻辑如下:
(1)AST1/3逻辑(AST2/4与AST1/3类似):
测试输入条件(和):
允许在线测试(ETS屏幕操作手动输入)
没有其他 ETS 渠道试验
实验性切除条件(或):
ASP-1 压力高延迟两秒
允许切除在线测试
ASP-2 低压
手动删除
3.2 临界跳闸控制块实际操作
实验前的注意事项和检查:
现场是否有漏油现象。
本地ASP压力表显示压力是否正常
AST1、3 电磁阀测试顺序如下:
用鼠标左键选择“允许在线测试”按钮,观察其后面的文字亮起。
点击AST电磁阀显示区的AST1或AST3电磁阀,打开操作端美国泰科阀门,点击“输入”按钮,对应的电磁阀会断电,ASP1可以检测到压力信号, ASP1 的状态变化将显示在 ETS 屏幕上。
在AST电磁阀显示区点击AST1或AST3电磁阀,打开操作端,点击“移除”按钮,对应电磁阀通电,ASP1(ASP高压)报警复位。正常情况是自动复位
单独测试 20-1/AST 或 20-3/AST 电磁阀时,20-2/AST、20-4/AST 测试功能被阻止。
AST2、4 电磁阀测试顺序如下:
用鼠标左键选择“允许在线测试”按钮,观察其后面的文字亮起。
点击AST电磁阀显示区的AST2或AST4电磁阀,打开操作终端,点击“输入”按钮,对应的电磁阀动作,ASP2可以检测到,ASP2的状态变化会显示在ETS 屏幕。
在AST电磁阀显示区点击AST2或AST4电磁阀,打开操作端,点击“移除”按钮,对应电磁阀通电,ASP2(低ASP压力)报警复位。正常情况是自动复位
单独测试 20-2/AST 或 20-4/AST 电磁阀时,20-1/AST、20-3/AST 测试功能被阻止。
图6 ETS在线测试画面

4个ETS测试块电源
4.1、主机AST电源
大机AST电源为220V交流电,分别取自电子室热控UPS配电柜。 #1UPS 机柜,(20-2)/AST 和 (20-4)/AST 电磁阀电源取自#2UPS 机柜。
4.2、小电脑AST电源
小机AST电源为直流110V,取自电子之间的继电保护直流柜。 20-2)/AST和(20-4)/AST电磁阀电源是另一个电源。
5 日常事故及处理
5.1、EH油压无法建立
EH油压建立失败通常发生在机组大修后和试运行期间。这种现象在第一阶段和第二阶段都有出现。机组未开机启动油泵时,如果油马达上的伺服阀或电磁阀处于开启状态,高压主管的压力油通过油的高压腔。马达,然后打开卸荷阀流到回油路,液压系统的功率为P×Q(压力乘以流量),泵的输出流量肯定不足以稳定压力,而当然是油管泄漏,不考虑分析。
5.2、AST 模块异常
AST模块的工作状态可以通过读取ASP压力开关和ASP压力表来确认。如果中间点ASP的压力为10.6MPa以上,说明第一级卸荷阀1或3卡死。不严格或其对应的电磁阀未通电,或电磁阀本身卡死,或节流孔缺失。如果中间点ASP的压力为0,则说明二级卸荷阀2或4未卡紧或对应电磁阀未通电或电磁阀本身卡死,或节流孔缺失,第二阶段出现过漏孔问题,一、二阶段大修后电磁阀不通电。电磁阀是否通电可以用一般的铁钥匙靠近电磁阀来判断,但一般由维修人员来判断。在正常运行过程中,一般不建议不直接检查电磁阀电磁阀原理图详解,以免设备出现故障。
电磁阀 opc ets