欢迎来到江苏泰科流体控制阀门有限公司网站!
【本期内容标题为深圳瑞生华播出】
小七:

正确的维护和维修方法是保证设备正常运行的必要条件。你知道快关蝶阀的液压驱动装置的结构吗?它是如何维护和修理的?
今天小七给大家详细总结了快关蝶阀液压驱动装置的结构知识! ! !

一.它有什么作用?

快速关闭蝶阀的液压驱动装置,解决了电动截止蝶阀和止回阀不能快速关闭(>1s)造成的汽轮机超速问题。
小七小窍门:机组发生事故时,快关蝶阀的液压驱动装置可快速驱动阀门关闭,有效防止汽轮机尾部蒸汽和冷凝水回流,并立即切断管道保护汽轮机。可见,快关蝶阀的液压驱动装置是一种安全设备装置,保证其自身正常运行是非常必要的。
接下来小七陪你了解一下它的结构?
二.结构是什么样的?
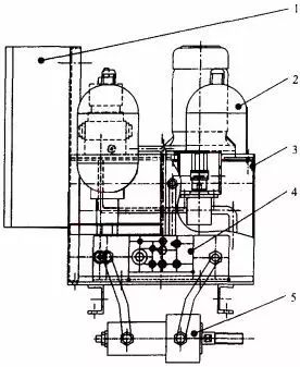
快关蝶阀的液压驱动装置由液压泵站、控制阀组、蓄能器、快速油缸、电气控制箱五部分组成(图1),可完成蝶阀的慢开慢关)、快关、活动等。

图1 快关蝶阀液压驱动装置外观
(1.电控箱2.蓄能器3.液压泵站4.控制阀组5.快速缸)
1.液压控制部分
根据快关蝶阀的要求和计算,确定液压驱动装置的基本参数如下表。
液压装置基本参数

液压泵站由电机、联轴器、液压泵、进油过滤器、高压过滤器、油箱等部件组成。它的主要功能是供应系统所需的压力油。
选择
为蓄能器提供流量和压力。设计中采用进口高压低噪音齿轮泵。泵装置采用立式安装、倒置结构的高压过滤器。结构紧凑,系统油清洁。确保各种控制阀能够正常运行。
为了满足不同快关蝶阀的需要泰科流体控制阀门,分为2个系列进行设计。

图2液压控制阀组
(1.电磁阀 DT3 2.电磁阀 DT2 3.截止阀 AV1 4.截止阀 AV3 5.截止阀 AV2 6.溢流流量阀 RV 7.压力水龙头 MP 8.截止阀 AV4 9.压力开关 KP2 10.压力开关 KP1 11.电磁阀 DT1)@ >
控制阀组(图2)主要由阀块、溢流阀、止回阀、节流阀、截止阀、电磁阀、压力继电器和压力表组成。

选择
为减少系统内漏和油泵启动次数,节约能源,便于维修安装,选用进口螺纹插装阀和优质二通插装阀。
为满足不同快关蝶阀的需要,阀块分为左阀块、中阀块和右阀块三部分进行设计,可以采用不同的组合来实现满足不同的要求。
蓄能器为蝶阀的慢开、慢关、快关和运动提供能量。蓄能器规格的选择经过严格计算,每个系统都不同,以满足系统保压和蝶阀快关要求。

图 3 快速气缸
快速油缸(图3)是通过齿轮齿条推动蝶阀的执行机构。为保证其工作可靠,油缸密封采用进口密封圈,并设有液压缓冲装置设置保护蝶阀。节流装置根据系统要求控制和驱动外部负载,直接安装在齿轮齿条传动装置上。为了更好地与快速关闭蝶阀连接,快速-作用油缸也采用串联设计,如下表所示。
快速气缸参数

2.电控部分
根据液压控制部分的要求,确定电气控制系统的参数,见下表。
电气控制系统基本参数

快关蝶阀液压驱动装置的电控系统采用自行设计的专用集成印刷电路板。严格的测试证明该电路板调整方便、性能稳定、质量可靠。电控箱由开关电源、交流接触器、热继电器、断路器、电路板和接线端子组成。电控分为普通继电器控制箱和PLC型电控箱两种。
三.16种保养方法真的很重要
快关蝶阀液压驱动装置的正常工作需要日常维护保养。如果不注意设备的日常维护和保养,快关蝶阀的液压驱动装置很容易出现故障。操作人员应经常观察液压系统压力、噪声、振动、油温、油位、电压、行程开关及泄漏等情况,发现问题及时解决。

小七小窍门:适当的保养方法可以减少快关蝶阀液压驱动装置的故障,延长快关蝶阀液压驱动装置的使用寿命。快关蝶阀液压驱动装置的日常维护方法主要包括以下几个方面。
1
快关蝶阀液压驱动装置安装完毕后,给油箱加油时,必须按照使用说明书中给出的等级加油。油液还必须经过过滤才能进入油箱,系统油的污染度要求达到NAS8以上。
2
快关蝶阀液压驱动装置安装完成后第一次运行时,需要确认电机方向是否正确。可以通过点动电机来判断。如果方向与手册要求的方向不一致压力表截止阀,必须改变接线。在确认电机方向正确之前不要长时间启动电机,以免损坏油泵。
3
快关蝶阀的液压驱动装置在安装完成后的初始运行前,应将溢流阀完全松开,然后缓慢增加压力,最好以1MPa为增量,运行每个压力段保持5分钟,确认无异常后,再增加直至达到说明书要求的压力。试压过程中出现的故障应及时排除。必须在减压后进行故障排除。如果焊缝需要重新焊接,必须将工件拆下,并在焊接前去除油污。
4
请勿在执行器运动时调整系统压力。调压前检查压力表,无压力表的系统不允许调压。压力调整好后,应锁紧调整螺钉,以防松动。定期检查压力表是否正确可靠。
5
安装后的快关蝶阀的液压驱动装置在初次运行前,应将蓄能器内的气体压力充入氮气至说明书要求的压力,不得使用氧气代替,否则会造成重大事故。设备运输过程中不允许对蓄能器加压,容易发生爆炸。
6
应定期检查油箱油位(一个月)。建议首次加满油位计。在正常工作条件下,油位要求在液位计液位的1/2以上,低于液位计液位的1/3时必须加油。控制和保护时,油源系统会在液位过低时停止工作,直到油量达到要求的刻度才能重新启动系统。
7
首先应定期(1个月)检查蓄能器内的气体压力,低于手册要求的充气压力的10%时补充氮气,使氮气压力达到要求的压力由手册。半年后,可每季度检查一次蓄能器内的气压。
8
快关蝶阀液压驱动装置在生产运行过程中,应注意油质的变化,定期(每季度)进行样品检测。如发现油品质量不符合要求,及时净化油品或更换新油品,要求系统油品污染度保持在NAS8以上。
9
经常检查快关蝶阀液压驱动装置的电压,电源电压波动范围在额定电压的±10%以内。特别注意电磁阀的电源电压,其电源电压偏差范围在额定电压的±10%以内,以保证电磁阀能正常工作。
10
经常检查快关蝶阀液压驱动装置的各个过滤器。当发现油污报警时,应及时更换过滤器的滤芯。如果发现滤芯严重损坏,必须更换或过滤油箱内的油。
11
快关蝶阀液压驱动装置投入运行后,需要经常到当地观察装置的运行情况。如有故障指示、漏油等异常现象,应及时处理。
12
根据设计规定和工作要求,合理调整快关蝶阀液压驱动装置的工作压力和工作速度。当压力阀和调速阀调到要求值时,应拧紧调节螺钉,防止松动。
13
快关蝶阀的液压驱动装置应注意防潮、防松、防腐蚀、防尘、防撞。
14
快关蝶阀液压驱动装置的工作温度不应超过55℃。如果油的工作温度超过55℃,必须查明原因并解决。
15
快关蝶阀液压驱动单元的高压软管和密封件应定期更换(一般为2a)。
16
经常检查压力继电器和行程开关动作是否正常压力表截止阀,如果不正常及时更换。
四.要记住的8个主要维护点

快关蝶阀液压驱动装置一旦出现故障,应及时维修,维修时应注意以下几点。
1
当快关蝶阀的液压驱动装置出现故障时,应根据液压原理图和电气原理图仔细分析,找出故障点,确定维修方法。
2
更换液压元件或管路或密封件时,应将蓄能器的压力油放掉,以免发生喷油事故或伤害事故。
3
更换电器元件时,请关闭电源,以免发生触电事故。
4
如需更换液压元件和电气元件,检查型号,了解元件存放时间和存放环境,注意元件内部老化程度,拆洗更换并进行性能测试如有必要。
5
螺纹插装阀如需维修,拆装前必须了解其原理和结构。拆卸时,用合适的开口套筒拧下三爪卡盘上的螺丝,装配时用合适的开口套筒拧下三爪卡盘上的螺丝。拧紧在爪式卡盘上,装配时在螺纹处使用中等强度的可拆卸螺纹锁固剂。
6
如果需要更换二通插装阀阀门厂家,拆卸阀套时应使用专用工具,否则拆卸困难。组装二通插装阀时,涂上润滑油,用螺丝和盖板慢慢压入,不要敲入。
7
在维修时,检查液压元件所用连接螺栓的材质和强度是否符合设计要求和液压件生产厂家规定的要求。阀块上各液压阀的连接螺栓最好用测力扳手拧紧,拧紧力矩符合液压阀生产厂家的规定。
8
如需更换液压泵,安装液压泵时,应确保液压泵两轴与电机的同轴度公差和平行度公差符合规定,或不大于两轴之间的联轴器。泵和电机。制造商推荐的同心度和平行度要求。拧紧进出水管,确保无泄漏。
五.常见故障如何处理?

小七小窍门:快关蝶阀液压驱动装置的常见故障排除方法你知道吗?

(点击图片)
也有问题,但没人交流?
无论你是初出茅庐的化工新手还是行业老手,一定有很多问题想和大家分享一下。
数以百万计的 7 位朋友和数以千计的行业专家将在主题领域快速为您解答。
讨论行业新闻,获取专业知识。
来话题区聊天,老司机带你飞! ! !

还不是化工707 APP用户?
长按二维码下载!
