欢迎来到江苏泰科流体控制阀门有限公司网站!

一、美标凸耳高性能蝶阀概述
美标凸耳高性能蝶阀阀板与密封圈采用偏心结构,具有结构紧凑、体积小、质量轻、密封可靠、使用寿命长等特点,兼备调节和切断两种功能。广泛应用与治金、化工、电力、轻纺、食品、医药、造纸等工业部门及市政工程、水厂等管道对自来水、污水、油类液体或空气、煤气、天然气、水蒸气等介质进行切断或压力、流量控制。本系列产品分为PTFE类阀座密封和PTFE+金属密封圈阀座密封结构,密封泄露等级零泄漏;流量特性为近似等百分比。
二、美标凸耳高性能蝶阀参数表
| 公称通径:1-1/2"-48"(DN40-DN1200) | 公称压力:150LB-600LB(PN6-PN100) | 适用介质:淡水、海水、空气、化学药品及腐蚀性介质 |
| 适用温度:-50℃-200℃(超低温可定制) | 阀体材质:碳钢、不锈钢 | 操作方式:手柄、蜗轮 |
| 设计与制造标准:GB/T12238/API 609/EN 593/ISO 10631 | 结构长度标准:GB/T 12221/API 609/ASME B16.10/EN 558/ISO 5752 | 连接法兰标准:GB/T 9113/ASME B16.5/ASME B16.47/EN 1092/ISO 7005 |
三、美标凸耳高性能蝶阀的特点
1、高性能调节切断型。即能作调节阀,又能作切断阀使用。
2、优秀的气体和液体隔绝功能和流量调节特性。
3、阀座处启闭摩擦小、无卡滞,使用寿命长。
4、易于更换和调节密封性能的密封环。
5、低操作力矩和可靠的力矩关断。
6、可根据客户需求,设计成防火结构。
四、结构特点

1、由于采用双偏心结构,阀门在开启过程中,蝶板逐渐脱离阀座,减少了密封面之间的摩擦,从而延长了使用寿命。阀座采用唇形结构设计, 材质用PTFE, RPTFE或超高分子量的聚乙烯,不管流体的方向如何,阀座变形后总能恢复到原先的位置,保证密封。
2、防静电:由于阀座采用聚四氟乙烯等非金属材料,致使蝶板与阀座在启闭过程中会产生静电,静电积累会产生安全隐患,在结构上采用限位套结构将蝶板上的静电通过限位套传递到阀体上,同时在阀体上设置防静电螺栓与地面接触,从而达到消除静电积累的目的。
五、零部件材质
| 序号 | 零件名称 | 材 质 |
| 1 | 底盖螺钉 | 8.8/B7/B8/B8M |
| 2 | 底盖 | A105/304/316/2205 |
| 3 | 垫片 | 304+石墨/316+石墨/PTFE |
| 4 | 卡环 | 1035/304/316/2205 |
| 5 | 下轴套 | SF-1/SF-1S/C95200 |
| 6 | 阀体 | WCB/CF8/CF8M/4A |
| 7 | 销轴 | 410/304/316/F51 |
| 8 | 蝶板 | WCB/CF8/CF8M/4A |
| 9 | 密封圈 | PTFE/RPTFE/PEEK/XTREME |
| 10 | 压板 | A105/304/316/2205 |
| 11 | 压板螺钉 | 8.8/B7/B8/B8M |
| 12 | 阀轴 | 410/304/316/F51 |
| 13 | 上轴套 | SF-1/SF-1S/C95200 |
| 14 | 填料 | 柔性石墨/PTFE/橡胶 |
| 15 | 填料压盖 | WCB/CF8/CF8M/4A |
| 16 | 压盖螺柱 | 8.8/B7/B8/B8M |
| 17 | 压盖螺母 | 8.8/B7/B8/B8M |
| 18 | 支架螺母 | 8/2H/8M |
| 19 | 支架 | WCB/CF8/CF8M |
| 20 | 支架螺柱 | 8.8/B7/B8/B8M |
六、型号编制

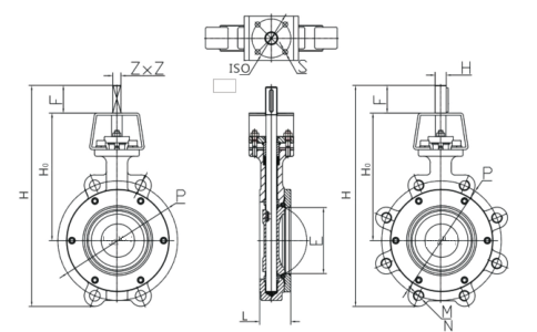
七、美标凸耳高性能蝶阀尺寸表

| DN | A | B | C | D | E | F | G | H |
| 65 | 49 | 27 | 105 | 140 | 59 | 178 | 194 | 279 |
| 80 | 49 | 27 | 132 | 152 | 73 | 191 | 203 | 279 |
| 100 | 54 | 30 | 157 | 191 | 95 | 229 | 216 | 279 |
八、应用
美标凸耳高性能蝶阀,除常规阀门所适应的工况介质外,根据不同的介质,选用不同结构材料和特殊处理材料,还可用于深冷、蒸汽、氮气、氧气、高真空、抗腐蚀等特殊工况。
| 温馨提示: 本文中所有文字、数据、图片均只适用于参考。需要查看更多的美标凸耳高性能蝶阀性能参数、结构尺寸参数等详情,请联系我们。 |